Практически каждый радиолюбитель нуждается в генераторе и частотомере. На страницах журналов описывались радиолюбительские конструкции по данной теме. Предлагаемый прибор является "синтезом" двух конструкций [1, 2] с некоторыми доработками. В данной статье не приводится подробного описания работы схем из первоисточников, так как они являются полностью законченными конструкциями и авторами подробно описана их работа и методика наладки.
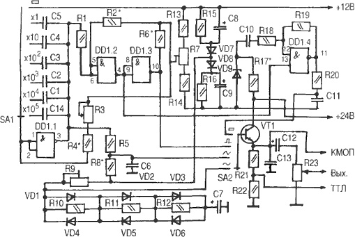
Функциональный генератор (рис.1) вырабатывает сигналы прямоугольной, треугольной и синусоидальной формы. Кроме этого, он также вырабатывает "белый" шум и прямоугольные импульсы уровней ТТЛ и КМОП. Основные параметры генератора Диапазон частоты ...................................... 1...100000 (1000000) Гц Число поддиапазонов ................................... 5 (6) Амплитуда выходных сигналов: прямоугольный ....................................... 10 В треугольный ......................................... 6,3 В синусоидальной ...................................... 3,3 В "белый" шум ......................................... 5 В Длительности фронта и спада прямоугольных импульсов ... 0,2 мкс Коэффициент гармоник в диапазоне ЗЧ не более .......... 0,3% Выходное сопротивление на выходе КМОП ................. 600 Ом В авторском варианте прибор имеет пять поддиапазонов регулирования частоты. При необходимости можно добавить шестой поддиапазон (конденсатор С14). Регулировка частоты в пределах поддиапазона плавная, осуществляется резистором R3.
Частотомер (рис.2) выполнен но микросхемах, имеет функцию самоконтроля, цифровую индикацию. Основные параметры частотомера Пределы измеряемой частоты ....... 5...100000 (1000000) Гц Чувствительность не хуже ......... 120 мВ Входное сопротивление не менее ... 1 МОм Число разрядов индикатора ........ 5 (6) Частота обновления показаний ..... 1 Гц В авторском варианте прибор имеет пять разрядов индикатора. В данной конструкции добавлен шестой разряд индикатора и исключен звуковой контроль измеряемой частоты (R13, DD2.2, НА1 [2]). Питается устройство от блока питания типа "ступенька", собранного на интегральных стабилизаторах по классической схеме (рис.3). При необходимости измерения более высокой частоты устройство можно дополнить простым делителем частоты (рис.4), собранном на микросхемах ТТЛШ [3, 4]. Для изготовления данной конструкции использован пластмассовый корпус польского производства типа Z1. Стоимость всей конструкции на радиорынке в сентябре 2002 г. не превышала 130 грн.
Детали функционального генератора и частотомера соответствуют авторскому описанию [1, 2]. В блоке питания использован трансформатор Т1 мощностью 15...20 Вт (см рис.3), напряжение вторичной обмотки 27...30 В при токе до 0,6 А (в случае использования делителя частоты). Диодный мост VD12-VD15 малогабаритный импортного производства на ток 1,5...2 А. Электролитические конденсаторы импортного производства. Переключатели SA1-SA3 малогабаритные типа ПГ2-1-6 П1НТ или аналогичные импортного производства. В качестве выходных гнезд использованы гнезда типа "тюльпан" импортного производства Стабилизаторы 7812, 7809 можно заменить КРЕН12Б, КРЕН12А соответственно. Стабилизаторы необходимо установить на радиаторы, особенно 7824. В делителе частоты можно использовать микросхемы серии К155, но при этом ток потребления значительно возрастет. Наладка схем генератора и частотомера подробно описана в авторских вариантах [1, 2]. Правильно собранный блок питания наладки не требует Наладку делителя частоты осуществляют с помощью эталонных генератора и частотомера, проверяя коэффициенты деления частоты. Осциллографом просматривают выходные импульсы делителя частоты. Литература 1. Ладыка А. Несложный функциональный генератор//Радио. — 1992.
— №6. |
Функциональный генератор с частотомером
Doc
Просмотров: 12394


