Digital IC Tester for 74 series

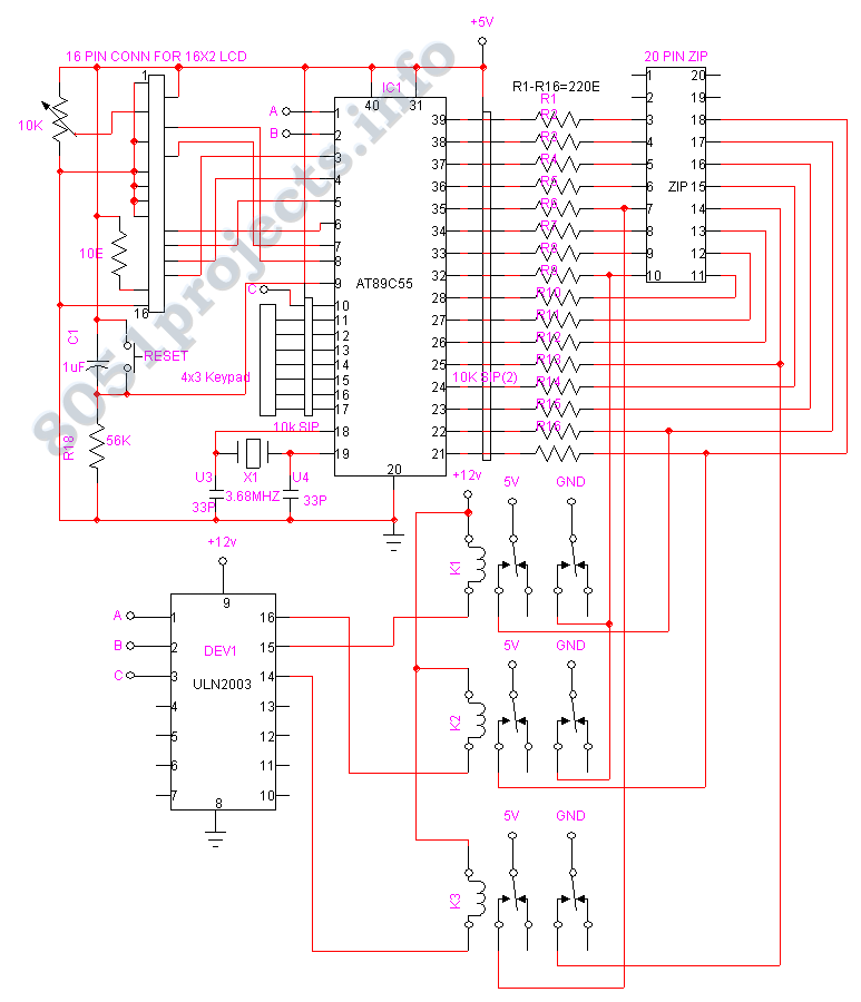
The chip tester verifies the functionality and timing of a variety of 7400 series integrated circuits. Students taking Digital Logic Design Lab, Use these chips often in their laboratory.
The IC to be tested should be placed on the ZIF socket and the Microcontroller prompts the user to enter the IC number of the chip to be tested. After entering it the microcontroller will check the IC as per the truth table of the IC which is stored in its ROM. It will check each aand every pin of the IC and produce the Output detaily. Like Gate 1 is good, Gate is Bad, Counter 1 is Good etc
The Block diagram of the project is given below for reference
For IC's list that can be tested by this project

ICtester
ICtester

ICtester1

ICtester1

 

 

 

 

Обсудить эту статью на форуме (0 ответов).
Вся информация, предоставленная на данном ресурсе разрешена к ознакомлению детям школьного возраста. Все практическое использование может быть связана с повышенной электрической опасностью и разрешено детям только под присмотром взрослых.