Предлагаю схемы подключения мобильника к PC.
|
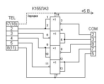
Схема для Самсунгов. Вариант2 |
Установка в стандартный корпус от COM порта |
Подходит для всех Сименсов, включая 75-е |
Оющий вид |
Для мобильника
Garik
Просмотров: 8576




