Диктофон в телефоне с дисковым номеронабирателем


В микросхемах семейства ISD25ХХ предусмотрено каскадирование. Для этой цели предназначен выход OVF (Overflow – переполнение, вывод 22). Вот какая информация по этому выходу приводится в даташите:
ФОТО 1.

3429435649

3429435649

ФОТО1, OVF – данные из даташита.

Дословно: Этот сигнал импульсом низкого уровня LOW указывает, что массив памяти был заполнен и устройство переполнено сообщениями. Выход OVF удерживает своё состояние, пока на устройство не поступит сигнал СЕ или импульс сброса на вход PD. Этот вывод может быть использован для каскадирования нескольких устройств ISD2500 вместе, чтобы увеличить длительность записи/воспроизведения.
В даташите работа выхода OVF приведена на временных графиках для режима ЗАПИСЬ: РИСУНОК 1.

1621411861

1621411861

РИСУНОК1, запись при кнопочном управлении.

А также для режима ВОСПРОИЗВЕДЕНИЕ:
РИСУНОК 2.

схема диктофона

схема диктофона

РИСУНОК2, воспроизведение при кнопочном управлении.

По графикам видно, что вроде бы выход OVF в режимах ЗАПИСЬ и ВОСПРОИЗВЕДЕНИЕ ведёт себя одинаково. Однако, это немного не так. Вот что показали снятые осциллограммы:

схема диктофона

схема диктофона

РИСУНОК3, эпюры выхода OVF.

По эпюрам видно, что в режиме ЗАПИСЬ при заполнении всего блока памяти напряжение кратковременно принимает значение низкого уровня, а затем вновь равно напряжению источника питания. В режиме ВОСПРОИЗВЕДЕНИЕ при заполнении всего блока памяти напряжение принимает значение низкого уровня и остаётся таковым, пока на входах «СЕ» или «PD» не появится сигнал управления. Это учитывается в разработанной схеме диктофона.
В даташите по применению микросхем семейства ISD25ХХ приведён пример каскадирования чипкордеров ISD2560 для увеличения длительности записи/воспроизведения до трёх минут:
РИСУНОК 4.

291725879

291725879

РИСУНОК4, каскадирование трёх ISD2560.

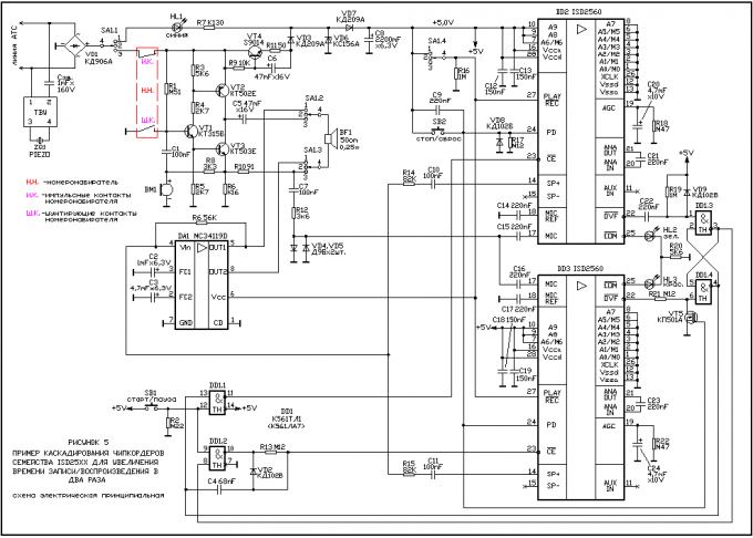
При таком решении все три чипкордера активированы одновременно, поэтому потребляемый ток от источника питания может достигать более I=60mA. Никакая телефонная линия такой ток отдать не сможет, следовательно, надо применить схему каскадирования, в которой в данный момент времени активирована только одна микросхема. Это реализовано в предлагаемой экспериментальной схеме диктофона с увеличенным временем записи/воспроизведения телефонных разговоров. Принципиальная схема показана на РИСУНКЕ 5:

296614421

296614421

РИСУНОК5, принципиальная схема.

Рассмотрим работу схемы диктофона в режимах ЗАПИСЬ и ВОСПРОИЗВЕДЕНИЕ.

1. Запись телефонного разговора:
При ответе на входящий вызов или при исходящем вызове переключатель SA1 переводят в нижнее по схеме положение, при этом во всех секциях SA1.1 – SA1.4 замыкаются контакты 4-3 и линия АТС занимается. Напряжение с диодного мостика VD1 через замкнутые И.К., электронный дроссель на элементах R9, VT4, R11, С6 и диод VD3 поступает на стабилизатор питания диктофона VD6, VD7, С8. Конденсатор С8 накопительный и сглаживает пульсации напряжения. Диод VD7 предотвращает разрядку С8 через внешние цепи схемы. На выходе стабилизатора напряжение порядка U=4,9…5,1V, которое поступает на выводы питания микросхем DD1, DD2 - DD3. Микросхема УМЗЧ DA1 остаётся выключенной, чипкордеры DD2 и DD3 не активированы - ток потребления не превышает единиц микроампер. Дифференцирующая цепь С9-R17 сформирует короткий положительный импульс, который переведёт внутренний маркер чипкордеров в начальный адрес и поступит на затвор транзистора VT5. Транзистор откроется и установит RS-триггер на элементах DD1.3 и DD1.4 в состояние, при котором на выходе 3DD1.3 – лог.0, а на выходе 4DD1.4 – лог.1. Эти логические уровни поступают соответственно на входы 8DD1.2 и 13DD1.1. Так как входы 12DD1.1 и 9DD1.2 через резистор R2 соединены с общим проводом схемы, то на выходах 11DD1.1 и 10DD1.2 установятся лог.1-цы. Резистор R16 задаёт низкий уровень на входах 27DD2 и 27DD3, поэтому чипкордеры находятся в режиме ЗАПИСЬ.
Начинают запись кратковременным нажатием на кнопку SB1. Тогда напряжение питания через замкнутые контакты кнопки поступит на входы элементов 12DD1.1 и 9DD1.2. На выходе 11DD1.1 сформируется импульс с низким уровнем напряжения и поступит на вход 23DD2. На выходе 10DD1.2 уровень лог.1-цы не изменится, т.к. элемент заблокирован лог.0-м по входу 8DD1.2. В результате активируется только микросхема DD2. Звуковой сигнал с фриттера VD4, VD5 через разделительный конденсатор С15 поступает на вход 17DD2 и записывается. Чтобы сделать ПАУЗУ в процессе записи, ещё раз кратковременно нажимают на кнопку SB1.
Когда заполнится весь массив памяти в DD2, на выходе 22DD2 появится импульс с низким уровнем напряжения (см. РИС.3) и через дифференцирующую цепь С22-R19 поступит на вход 1DD1.3, при этом DD2 перейдёт в режим пониженного энергопотребления. RS-триггер переключится в противоположное состояние, при котором на выходе 3DD1.3 – лог1, а на выходе 4DD1.4 – лог.0. Дифференцирующей цепью С4-R13 лог.0 преобразуется в короткий импульс и поступает на вход 23DD3. Теперь активирована микросхема DD3 и записывает звуковой сигнал, поступающий на вход 17DD3 через разделительный конденсатор С16. Так же, как и с микросхемой DD2 - для перевода DD3 в режим ПАУЗА кратковременно нажимают SB1. Теперь короткий импульс с низким уровнем напряжения сформируется на выходе 10DD1.2, а на выходе 11DD1.1 уровень лог.1-цы останется без изменения, т.к. элемент DD1.1 заблокирован лог.0-м по входу 13DD1.1. Таким образом, первой всегда активируется и управляется DD2, пока не заполнится весь массив памяти. После этого активироваться и управляться будет только DD3, т.е. получаем общий блок памяти, который по мере заполнения последовательно переходит от первого массива ко второму. Когда заполнится весь массив памяти в DD3, то на выходе 22DD3 сформируется короткий импульс с низким уровнем напряжения и поступит на вход 6DD1.4 через резистор R21. RS-триггер вернётся в исходное состояние, поэтому нажатие на кнопку SB1 инициирует запись в массив памяти DD2. Новая запись будет записываться поверх предыдущей.
К выходам 25DD2 и 25DD3 подключены светодиоды HL1 и HL2 разного цвета свечения. По ним можно ориентироваться, какая микросхема активна в данный момент времени.
После окончания телефонного разговора переключатель SA1 переводят в исходное положение и линия АТС освобождается. Благодаря диоду VD7 и микротоковому потреблению чипкордеров в неактивном состоянии конденсатор С8 очень долго удерживает заряд, следовательно, внутренний маркер микросхем будет сохранять своё положение на том адресе, на котором была остановлена запись. Если при новой записи, не нажимать кнопку SB2, запись телефонного разговора начнётся после записанного фрагмента в предыдущем телефонном разговоре.

2. Воспроизведение записанного телефонного разговора:
Чтобы прослушать запись, переключатель SA1 переводят в верхнее по схеме положение, при этом во всех секциях замыкаются контакты 4-1. Напряжение с диодного мостика VD1 через светодиод HL1 и ограничивающий ток резистор R7 поступит на стабилизатор питания диктофона. Так как в секции SA1.4 замкнуты контакты 4-1, то чипкордеры DD2 и DD3 переведены в режим ВОСПРОИЗВЕДЕНИЕ, и на вход 6DA1 поступает питание. Старт воспроизведения осуществляется коротким нажатием на кнопку SB1. Процесс работы чипкордеров DD2 и DD3 подробно описан в пункте 1. Можно уточнить, что теперь при заполнении массива памяти на выходах OVF будет появляться не короткий импульс, а низкий уровень напряжения (см. РИС.3). Чтобы не нарушалась работа RS-триггера, введена дифференцирующая цепь С22-R19, которая преобразует постоянный низкий уровень напряжения в короткий импульс как в режиме ЗАПИСЬ.
С выходов 14DD2 или 14DD3 звуковой сигнал через ограничивающие уровень резисторы R14 или R15 поступает на вход 4DA1. Второе назначение УМЗЧ кроме усиления – это микширование сигналов с выходов чипкордеров. С выхода DA1, выполненного по мостовой схеме, усиленный звуковой сигнал поступает через замкнутые контакты 4-1 секций SA1.2 и SA1.3 на динамическую головку BF1.

3. Детали и нюансы:
Все рекомендации для схемы, данные в теме «ДИКТОФОН В ТЕЛЕФОНЕ С ДИСКОВЫМ НОМЕРОНАБИРАТЕЛЕМ» актуальны и для этой схемы.
Максимальная длительность записи/воспроизведения может достигать четырёх минут, если в качестве DD2 и DD3 применить микросхемы ISD25120.
Так как диктофон получает питание только от телефонной линии, а длительность занятия линии без набора номера и установленного соединения (в режиме ВОСПРОИЗВЕДЕНИЕ) может составлять четыре минуты, то желательно установить светодиод HL1, который напомнит в конце прослушанного сообщения, что переключатель SA1 необходимо перевести в исходное положение и освободить телефонную линию. Светодиоды лучше применить из серии «сверхяркие».
Общий вид на макетные платы устройства и увеличенные снимки фрагментов узлов показаны на ФОТО.

2345235409

2345235409

3064552033

3064552033

76121713

76121713

Обсудить эту статью на форуме (0 ответов).
Вся информация, предоставленная на данном ресурсе разрешена к ознакомлению детям школьного возраста. Все практическое использование может быть связана с повышенной электрической опасностью и разрешено детям только под присмотром взрослых.