Зарядное устройство

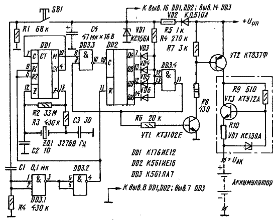
Рис. 118. Зарядное устройствоКак правило, аккумулятор заряжают током I=0,1 E (I - в амперах, Е - емкость аккумулятора - в амперчасах) в течении 15 часов. Это нормальный, стандартный режим зарядки для большинства аккумуляторов*. На рис. 118 приведена принципиальная схема устройства, выдерживающего этот режим автоматически.

Здесь DD1, ZQ1 и др. - генератор импульсов, период следования которых равен 1 мин. Если элемент DD3.3 разблокирован (лог. 1 на его входе 9), то число N в счетчике DD2 будет ежеминутно увеличиваться на одну единицу. Пока N<904 (15 часов 4 минуты), на выходе диодно-резисторного дешифратора VD3-VD6, R4 сохраняется напряжение, близкое к нулю (лог. 0), на выходе DD3.4 - напряжение, близкое к напряжению питания микросхем (лог. 1), и через открытый до насыщения транзистор VT2 генератор зарядного тока (на рис. 118 он обведен штрих-пунктиром) будет подключен к +U, источника питания.

Ток Iз - зарядный ток аккумулятора - зависит от сопротивления резистора R10; Iз@2,7/R10 (Iз - в амперах, R10 - в омах). Так, если Iз=0,35 А (заряжается аккумулятор типа НКБН-3,5), то сопротивление резистора R10 должно быть: R10=2,7/0,35@7,7 Ом (мощность, которая будет рассеиваться на нем, - Pr10=(Iз^2)·R10=(0,35^2)·7,7@1 Вт). А если Iз=0,045 А (таким током заряжают аккумуляторы типа ЦНК-0,45), то R10=2,7/0,045=60 Ом (Рк10<0,25 Вт).

Зарядный ток Iз останется неизменным на протяжении всех 15-ти часов при условии, что Uип-Uак max>6 В, где Uак max - напряжение на аккумуляторе в конце зарядки. Так при зарядке 6-вольтного аккумулятора типа НКН (для его пяти банок Uак max@5·1,5=7,5 В) напряжение источника питания должно быть Uипі13,5 В (7,5+6). Однако не следует брать Uип с очень большим превышением над Uак max, так как мощность, рассеянная на транзисторе VT3 - Р=Iз(Uип-Uак) - может привести, при недостаточном теплоотводе, к его перегреву.

Процесс зарядки прекратится по достижении N=904. Напряжение низкого уровня, возникшее на выходе DD3.4, отключит генератор зарядного тока и заблокирует (лог. О на входе 9 DD3.3) канал передачи сигнала от DD1 к DD2. В этом положении зарядное устройство останется до следующего старта системы - до нажатия кнопки SB1, которое установит счетчики DD1 и DD2 в исходное состояние.


--------------------------------------------------------------------------------

*) В этом режиме аккумулятор получает от источника 150% своей номинальной разрядной емкости

Обсудить эту статью на форуме (0 ответов).
Вся информация, предоставленная на данном ресурсе разрешена к ознакомлению детям школьного возраста. Все практическое использование может быть связана с повышенной электрической опасностью и разрешено детям только под присмотром взрослых.