Мощный лабораторный блок питания с ОУ

Наверное, не найдется радиолюбителя, у которого одной из первых конструкции не был бы лабораторный блок питания. Ставя эксперименты, макетируя отдельные устройства, каждый радиолюбитель обязательно сталкивается с проблемой питания. Бывает так, что, изготовив для какой-либо конструкции блок питания, затратив при этом немало времени и средств на поиски в литературе подходящей схемы, деталей, начинающий конструктор убеждается, что его устройство плохо работает с этим блоком. Зачастую это бывает с теми радиолюбителями, которые, не имея лабораторного источника, не могут правильно определить ни диапазон питающих напряжений, при которых устойчиво работают их устройства, ни практически потребляемые ими токи. Делать это необходимо во время налаживания устройств, питая их от внешнего источника, который обеспечивал бы широкие пределы регулировки выходного напряжения и высокую его стабильность при больших изменениях тока нагрузки.
Кроме того, такой источник должен обладать быстродействующей защитой от перегрузки или замыканий выхода.
В популярной радиотехнической литературе постоянно освещаются вопросы конструирования блоков питания и неоднократно описывались заслуживающие внимания лабораторные источники. Однако отдельные из них или обеспечивают недостаточный ток нагрузки при отличных остальных параметрах, или содержат ряд дефицитных деталей, или сложны в настройке. Поэтому их повторение доступно далеко не каждому радиолюбителю, особенно начинающему.

КПД описываемого блока питания, как и большинства подобных устройств, не превышает 50%. При повторении придется потрудиться над намоткой силового трансформатора. Однако относительная простота схемы при достаточно высоких выходных параметрах, выигрыш в настройке, массе и габаритах дает определенные преимущества.

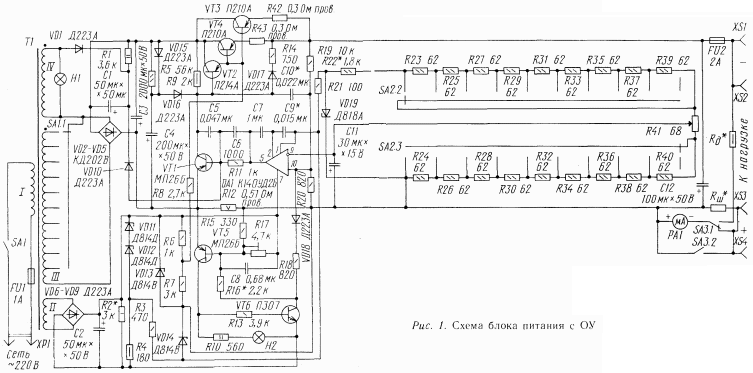
Блок питания, схема которого показана на рис. 1, имеет следующие выходные характеристики:

выходное напряжение ............................................................................... 0...30 В;
коэффициент стабилизации при изменении напряжения сети от 200 до 240 В ....1000;
максимальный ток нагрузки .............................................................................. 2 А;
температурная нестабильность ................................................................... 2 мВ/°С;
амплитуда пульсации при I н.макс ................................................................... 2 мВ;
выходное сопротивление ............................................................................ 0,02 Ом.

Блок питания состоит из основного компенсационного стабилизатора с последовательным включением регулирующего элемента (транзисторы VT2-VT4), усилителя в цепи обратной связи (микросхема DA1, транзистор VT1), вспомогательных параметрических стабилизаторов (стабилитроны VD11-VD14, VD19) и устройства защиты от перегрузок (транзисторы VT5, VT6). В компенсационных стабилизаторах выходное напряжение представляет собой разность между напряжением, поступающим с выпрямителя, и падением напряжения на регулирующем транзисторе.

Схема блока питания

Схема блока питания

Стремление сконструировать стабилизатор с плавным изменением выходного напряжения в широких пределах и значительным током нагрузки связано с выделением большой тепловой мощности на регулирующем транзисторе. По этой причине в блоке использовано ступенчатое изменение выпрямленного напряжения. Для этого на основной выпрямитель, выполненный на диодах VD2-VD5, напряжение подается с секционированной вторичной обмотки III силового трансформатора с помощью секции SA2.1 переключателя SA2. Одновременно переключатель SA2 (секции SA2.2 и SA2.3) коммутирует резисторы управляющих ступеней стабилизатора. При этом выходное напряжение можно изменять десятью ступенями по 3 В и гтлавно с помощью резистора R41 в пределах каждой ступени. В результате при максимальном токе нагрузки на основном регулирующем транзисторе VT2-VT4, включенном по схеме с общим коллектором, рассеивается мощность не более 20 Вт. Транзисторы VT3 и VT4 включены параллельно и соответственно рассеиваемая на каждом из них мощность не превышает 10 Вт. В эмиттеры этих транзисторов включены резисторы R42 и R43, служащие для выравнивания их токов.

Для уменьшения габаритных размеров и массы блока питания, повышения компактности монтажа использован радиатор с меньшей, чем необходимо, площадью рассеяния. При этом наблюдается нагрев транзисторов до 60...70° С при длительной эксплуатации блока питания на максимальном токе нагрузки.

Если блок питания предполагается длительное время эксплуатировать при токах нагрузки, близких к максимальному, то должен быть применен радиатор с площадью рассеяния 800...1000 см2

Усилитель сигнала обратной связи собран на операционном усилителе (ОУ) DA1, который питается от вспомогательного выпрямителя, выполненного на диодах VD6-VD9. Напряжение питания ОУ стабилизировано двумя последовательно включенными параметрическими стабилизаторами, первый из которых выполнен на стабилитронах VD11, VD12 и резисторе R3, а второй- на стабилитронах VD13, VD14 и резисторе R4. Напряжение, стабилизированное стабилитроном VD14, используется, кроме того, для питания источника опорного напряжения, который выполнен на стабилитроне VD19, имеющем малый температурный коэффициент напряжения стабилизации, и резисторе R21.

Изменяя подаваемое на инвертирующий вход ОУ опорное напряжение с помощью делителя R22-R41, можно изменять напряжение стабилизатора.

Для получения выходного напряжения блока питания, превышающего максимальное выходное напряжение ОУ, служит усилитель на транзисторе VT1. Резистор R11 ограничивает выходной ток ОУ. Через делитель на резисторах R19, R20 часть выходного напряжения блока подается на неинвертирующий вход ОУ. При любом случайном изменении выходного напряжения стабилизатора изменяется разность между напряжениями на входах ОУ и соответственно напряжение на коллекторе VT1, которое изменяет состояние регулирующего транзистора таким образом, что выходное напряжение блока возвращается к прежнему значению. Конденсаторы С5- С7, С9, С10 устраняют самовозбуждение блока на высоких частотах во всем диапазоне изменения выходного напряжения и тока нагрузки.

Для обеспечения выходного напряжения блока питания, близкого к 0, на базы транзисторов VT3, VT4 подано через резистор R8 закрывающее напряжение, образованное током делителя R6, R7 на резисторе R7. При отсутствии этого напряжения не удалось бы получить выходное напряжение блока меньше, чем 1...1,5 В. Причиной этого является конечное значение тока коллекторов транзисторов VT2-VT4 при нулевом напряжении на их базах.

Цепь VD17R14 служит для ускорения разрядки конденсатора С12 и подключенной к блоку емкостной нагрузки во время установки меньшего уровня выходного напряжения блока. При этом конденсатор С12 разряжается до установившегося на коллекторе транзистора Т1 напряжения по цепи: положительный вывод конденсатора С12, резистор R12, переход эмиттер-коллектор транзистора VT1, диод VD17, резистор R14, отрицательный вывод конденсатора С12.
Электронное устройство защиты от перегрузок по току выполнено на транзисторах VT5, VT6. Падение напряжения, создаваемое током нагрузки на резисторе R12, в открывающей полярности приложено к эмиттерному переходу транзистора VT5. Одновременно на этот же переход поступает закрывающее напряжение с резистора R15, регулируемое резистором R17. Как только ток нагрузки превысит заданный уровень, VT5 приоткрывается, приоткрывая транзистор VT6. Последний, в свою очередь, еще больше откроет VT5 - процесс протекает лавинообразно. В результате оба транзистора полностью открываются и на вход 10 ОУ через диод VD18 и резистор R18 поступает сигнал отрицательной полярности, превышающий по модулю сигнал на входе 9. На выходе ОУ формируется напряжение отрицательной полярности, открывающее транзистор VT1. При этом регулирующий элемент (транзисторы VT2-VT4) закрывается, и выходное напряжение блока становится близким к 0. Одновременно зажигается сигнальная лампа Н2 "Перегрузка". Для возврата блока в исходное состояние надо его выключить на несколько секунд и снова включить. Обмотка IV силового трансформатора, вспомогательный выпрямитель на диоде VD1, конденсатор С1 и диод VD10 служат для устранения появления на выходе блока повышенного напряжения с основного выпрямителя при выключении блока питания. Это возможно потому, что конденсатор С2 разряжается быстрее конденсатора С3. При этом напряжение питания ОУ исчезает быстрее, и, значит, транзистор VT1 запирается, а регулирующий элемент отпирается раньше, чем исчезает напряжение на конденсаторе С3.
Положительный вывод конденсатора С3 через эмиттерный переход транзистора VT1 соединен с анодом диода VD10, но диод при включенном блоке питания не влияет на его работу, так как он закрыт положительным напряжением, образованным разностью между напряжением на конденсаторе С3 и напряжением на конденсаторе С1. Последнее всегда больше за счет зарядки конденсатора С1 суммой выходных напряжений обмоток III и IV силового трансформатора. Для обеспечения этого условия необходимо соблюдать полярность включения обмоток III и IV такой, как показано на схеме. После выключения блока питания конденсатор С1 быстро разряжается через резистор R1, диод VD10 открывается напряжением на конденсаторе С3 и последнее через резистор R1 поступает на базу транзистора VT1. Транзистор VT1 отпирается, закрывая регулирующий элемент. Напряжение на нагрузке при этом поддерживается близким к нулю, вплоть до полной разрядки конденсатора СЗ через транзистор VT1 и резистор R9.
Резистор R2 ускоряет разрядку конденсатора С2 и устраняет выброс выходного напряжения блока в самый начальный момент при его выключении, пока еще не успел разрядиться конденсатор С1 и не открылись диоды VD10 и транзистор VT1. Появление выброса в этот момент связано с неодинаковым изменением напряжений на входах ОУ и появлением положительного скачка на его выходе.
Для устранения выброса выходного напряжения при включении блока питания, а также для предотвращения срабатывания защиты при значительной емкостной нагрузке в момент включения служат конденсатор С4, резистор R5 и диод VD16. В начальный момент после включения конденсатор С4 медленно заряжается по двум цепям: через резистор R5 и через резистор R9 и диод VD16. При этом напряжение на базе транзистора VT2 равно сумме падения напряжения на открытом диоде VD16 и напряжения на конденсаторе С4. Это напряжение, а значит, и напряжение на выходе блока питания будет расти вслед за напряжением на конденсаторе С4 до тех пор, пока стабилизатор не войдет в установившийся режим. Далее диод VD16 закрывается, а конденсатор С4 заряжается только через резистор R5 до максимального напряжения на конденсаторе фильтра С3 и не оказывает никакого влияния на дальнейшую работу блока питания. Диод VD15 служит для ускорения разряда конденсатора С4 при выключенном блоке.

Все элементы, кроме силового трансформатора, мощных регулирующих транзисторов, переключателей SA1-SA3, держателей предохранителей FU1, FU2, лампочек H1, H2, стрелочного измерителя, выходных разъемов и плавного регулятора выходного напряжения, размещены на печатных платах.

Компоновка узлов показана на рис. 4. Транзисторы П210А закреплены на игольчатом радиаторе, установленном сзади корпуса и имеющем эффективную площадь рассеяния около 600 см2. Снизу в корпусе в месте крепления радиатора просверлены вентиляционные отверстия диаметром 8 мм. Крышка корпуса закрепляется таким образом, чтобы между ней и радиатором сохранялся воздушный зазор шириной около 0,5 см. Для лучшего охлаждения регулирующих транзисторов в крышке рекомендуется просверлить вентиляционные отверстия.

В центре корпуса закреплен силовой трансформатор, а рядом с ним с правой стороны на дюралевой пластине размером 5х2,5 см закреплен транзистор П214А. Пластина изолирована от корпуса с помощью изоляционных втулок. Диоды КД202В основного выпрямителя установлены на дюралевых пластинах, прикрученных к печатной плате. Плата установлена над силовым трансформатором деталями вниз.

Силовой трансформатор выполнен на тороидальном ленточном магнитопроводе ОЛ 50-80/50. Первичная обмотка содержит 960 витков провода ПЭВ-2 0,51. Обмотки II и IV имеют выходные напряжения соответственно 32 и 6 В при напряжении на первичной обмотке 220 В. Они содержат 140 и 27 витков провода ПЭВ-2 0,31. Обмотка III намотана проводом ПЭВ-2 1,2 и содержит 10 секций: нижняя (по схеме) - 60, а остальные по 11 витков. Выходные напряжения секций соответственно равны 14 и 2,5 В. Силовой трансформатор можно намотать и на другом магнитопроводе, например на стержневом от телевизоров УНТ 47/59 и других. Первичную обмотку такого трансформатора сохраняют, а вторичные перематывают для получения вышеуказанных напряжений.

В блоке питания вместо транзисторов П210А можно использовать транзисторы серий П216, П217, П4, ГТ806. Вместо транзисторов П214А-любые из серий П213-П215. Транзисторы МП26Б можно заменить любыми из серий МП25, МП26, а транзисторы П307В - любыми из серий П307 - П309, КТ605. Диоды Д223А можно заменить диодами Д223Б, КД103А, КД105; диоды КД202В - любыми мощными диодами с допустимым током не менее 2 А. Вместо стабилитрона Д818А можно применить любой другой стабилитрон из этой серии.

Переключатели SA2 - малогабаритные галетные типа 11П3НПМ. Во втором блоке контакты двух секций этого переключателя запараллелены и используются для коммутации секций силового трансформатора. При включенном блоке питания изменять положение переключателя SA2 следует при токах нагрузки, не превышающих 0,2...0,3 А. Если ток нагрузки превышает указанные значения, то для предотвращения искрообра-зования и обгорания контактов переключателя изменять выходное напряжение блока следует только после его выключения. Переменные резисторы для плавной регулировки выходного напряжения следует выбирать с зависимостью сопротивления от угла поворота движка типа "А" и желательно проволочные. В качестве сигнальных лампочек H1, H2 применены миниатюрные лампочки накаливания НСМ-9 В-60 мА.

Стрелочный прибор можно применить любой на ток полного отклонения стрелки до 1 мА и размером лицевой части не более 60Х60 мм. При этом нужно помнить, что включение шунта в выходную цепь блока питания увеличивает его выходное сопротивление. Чем больше ток полного отклонения стрелки прибора, тем больше сопротивление шунта (при условии, что внутренние сопротивления приборов одного порядка). Для предотвращения влияния прибора на выходное сопротивление блока питания переключатель SA3 при работе следует устанавливать на измерение напряжения (верхнее по схеме положение). При этом шунт прибора замыкается и исключается из выходной цепи.

Налаживание блока питания сводится к проверке правильности монтажа, подбору резисторов управляющих ступеней для регулировки выходного напряжения в нужных пределах, установке тока срабатывания защиты и подбору сопротивлений резисторов Rш и Rд для стрелочного измерителя. Перед настройк блока питания вместо шунта припаивают короткую проволочную перемычку.

При налаживании блока его включают в сеть, переключатель SA2 и движок резистора R41 (см. рис. 1) устанавливают в положение, соответствующее максимальному выходному напряжению (верхнее по схеме положение). Затем подбором резистора R22 устанавливают напряжение на выходе блока питания равным 30 В. Переменный резистор R41 можно использовать и другого номинала в пределах 51...120 Ом. При этом номинальное сопротивление резисторов R23-R40 выбирается на 5...10% меньше сопротивления резистора R41.

Далее настраивают защитное устройство. Для этого отпаивают один из выводов диода VD18 и к выходу блока подключают резистор сопротивлением 5...10 Ом мощностью не менее 25 Вт. Затем устанавливают такое выходное напряжение блока, чтобы ток через резистор, контролируемый внешним прибором, составил 2,5 А. Регулируя резистор R17, добиваются срабатывания защиты при этом токе. Закончив настройку, припаивают диод VD18 на место. Для надежного срабатывания защиты при минимальном напряжении сети подбирают резистор R16. От него зависит лавинообразный процесс, приводящий к отпиранию транзисторов VT5 и VT6.

При повторении блока питания следует иметь в виду, что провод, идущий от резистора R24 к общему проводу, необходимо подключать непосредственно к печатной плате, а не к выводам шунта Rш или стрелочного измерителя РА1. Иначе при подключении нагрузки выходное напряжение блока может увеличиваться. Это увеличение может достигать 0,3...0,5 В при максимальном токе нагрузки в зависимости от длины и диаметра провода, соединяющего точку соединения резисторов R12, R20 с точкой соединения конденсатора С 12 и шунта Rш. Так происходит потому, что падение напряжения, которое образуется на проводах от тока нагрузки, оказывается приложенным последовательно с опорным напряжением к инвертирующему входу ОУ.

В качестве шунта используют отрезок манганиновой или константановой проволоки диаметром 1 мм. При настройке шунта переключатель SA3 переводят в положение "ток", а включают блок питания только после того, как будет припаян отрезок манганинового провода вместо ранее установленной перемычки. В противном случае может выйти из строя стрелочный измеритель РА1. При этом внешний прибор включают последовательно с нагрузкой, в качестве которой можно применить резистор сопротивлением 5...10 Ом, рассчитанный на мощность рассеяния 10...50 Вт. Изменяя выходное напряжение блока питания, устанавливают ток нагрузки 2...2,5 А и, уменьшая или увеличивая длину манганинового провода, добиваются таких же показаний измерителя РА1. Перед каждой операцией по изменению длины шунта нужно не забывать выключать блок питания.

Обсудить эту статью на форуме (0 ответов).
Вся информация, предоставленная на данном ресурсе разрешена к ознакомлению детям школьного возраста. Все практическое использование может быть связана с повышенной электрической опасностью и разрешено детям только под присмотром взрослых.