Электронный регулятор для электроинструмента с плавным пуском

Удобным, а иногда и просто необходимым, элементом современного электроинструмента, такого как электродрель, электропила, болгарка, электролобзик, электромясорубка и многих других, является регулятор скорости вращения электромотора. В самых дешевых моделях таких регуляторов нет вообще, а в дорогих устанавливаются простейшие миниатюрные встроенные в ручку. Габариты такого устройства не позволяют обеспечить необходимый запас по мощности и при интенсивной работе или заклинивании инструмента они часто выходят из строя.

Кроме того, мощный электроинструмент имеет большие пусковые токи, что вредно не только для самого инструмента, но и для других подключенных к сети электроприборов из-за возникающих при этом помех. Чтобы пусковой ток снизить, необходим электронный регулятор с режимом плавного возрастания питающего напряжения при включении.

Чем лучше заменить вышедший из строя регулятор? В литературе приведено много разных схем электронных регуляторов, но среди них довольно редко встречаются схемы, обеспечивающие режим плавного возрастания выходного напряжения. А те из них, в которых такой режим имеется [Л4, Л5], для питания электроинструмента не удобны. Это объясняется тем, что, как правило, в них плавность нарастания напряжения обеспечивается при помощи заряда конденсатора. Этот конденсатор также медленно разряжается. И если при работе с электроинструментом приходится его часто включать-выключать, то такой регулятор не обеспечивает плавного пуска мотора из-за инерционности.

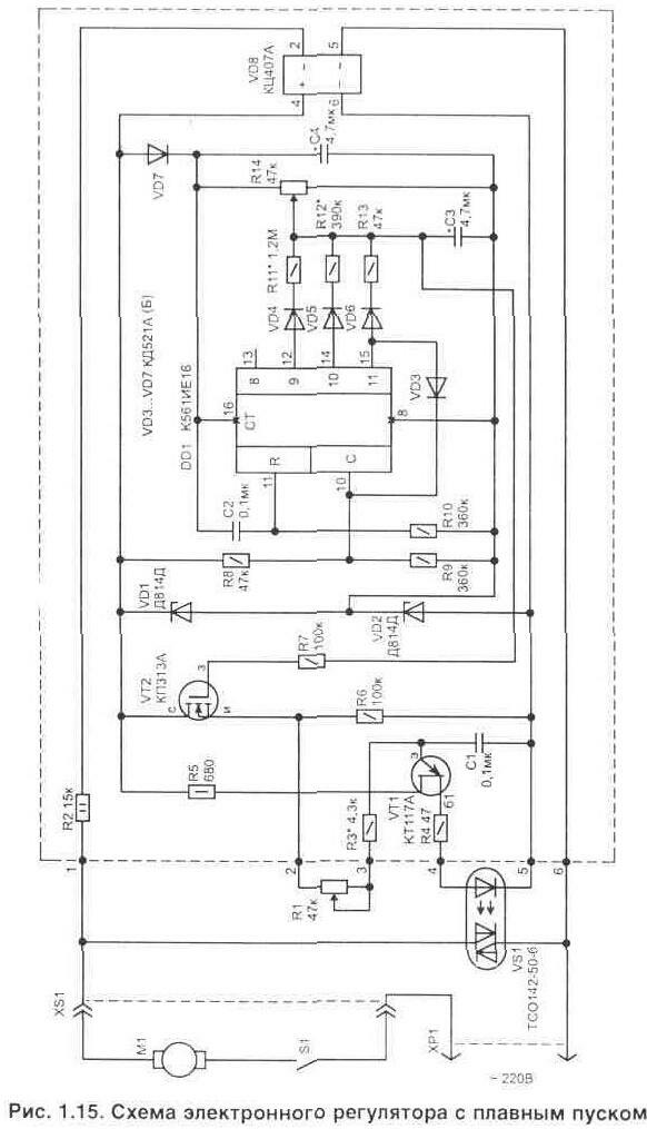
Всех этих недостатков лишена электрическая схема, приведенная на рис. 1.15. Она обеспечивает плавный пуск мотора, а также плавную регулировку скорости в широких пределах. Кроме того, данная схема практически не имеет инерционности, т.е. при повторном включении сразу после отключения выходное напряжение все равно будет постепенно плавно возрастать.

Устройство выполняется в виде отдельной приставки, через которую питается электроинструмент. Это позволяет сделать его универсальным - обеспечивается возможность подключения нагрузки

Рис. 1.17. Изменение в схеме для подключения обычного симистора

В заключение можно отметить что для того чтобы обеспечить защиту электроинструмента от повреждения в случае перегрузки - в разрыв цепи питания схемы регулятора можно установить токовый электромеханический автомат на нужный ток. Он может использоваться также как включатель. В продаже таких устройств имеется всегда большой выбор.

Обсудить эту статью на форуме (0 ответов).
Вся информация, предоставленная на данном ресурсе разрешена к ознакомлению детям школьного возраста. Все практическое использование может быть связана с повышенной электрической опасностью и разрешено детям только под присмотром взрослых.