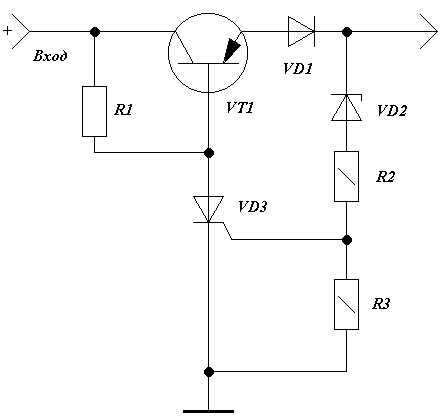
Устройство защиты

Устройство (патент DL-WR 82992), принципиальная схема которого приведена на рисунке, может использоваться и стабилизированных выпрямителях последовательного типа для защиты нагрузки от недопустимо высокого выходного напряжения. В нормальных условиях транзистор VТ1 работает в режиме, когда напряжение между его коллектором и эмиттером небольшое и на транзисторе рассеивается небольшая мощность (ток базы определяется резистором R1). Сопротивление стабилитрона VД2 в этом случае большое и тиристор VД3 закрыт.

При возрастании напряжения на выходе устройства выше определенной величины через стабилитрон начинает протекать ток, который приводит к открыванию тиристора. Транзистор VT1 при этом закрывается и напряжение на выходе устройства близко к нулю.

Описанное устройство должно включаться в стабилизаторах в выходную цепь так, чтобы сигнал обратной связи подавался из цепи, расположенной за системой защиты При номинальном выходном напряжении 12 В н токе 1 А в устройстве можно применять транзисторы КТ802А, тиристор КУ201А - КУ201К, стабилитрон Д814Б. Сопротивление резистора R1 должно быть 39 Ом (мощность рассеивания при отсутствии системы автоматики, отключающей стабилизатор от сети, составляет 10 Вт). R2 - 200 Ом, R3 - 1 кОм.

Обсудить эту статью на форуме (0 ответов).
Вся информация, предоставленная на данном ресурсе разрешена к ознакомлению детям школьного возраста. Все практическое использование может быть связана с повышенной электрической опасностью и разрешено детям только под присмотром взрослых.