Зарядное из БП IBM

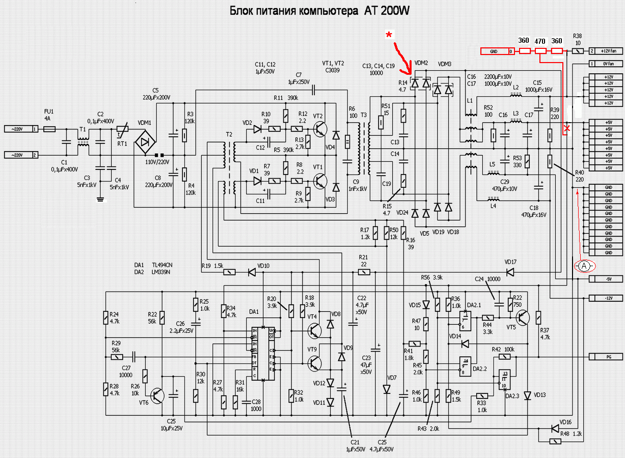
Позволил себе предложить типовую схему переделки БП IBM.
При переделке нужно обратить внимание на диоды Шотки (параметры) в выпрямительных цепях +12В. *
Зарядку 6-ти вольтовых АКБ можно проводить на канале +5В.
Амперметр можно установить в разрыв общего (GND) провода, нет необходимости переключать с канала на канал.

 

http://www.radio-portal.ru/https://vpn.radio-portal.su/cache/AT_200_z_images_stories_pictures_thumb_medium600_0.png

http://www.radio-portal.ru/images/stories/pictures/AT_200_z.png

Обсудить эту статью на форуме (0 ответов).
Вся информация, предоставленная на данном ресурсе разрешена к ознакомлению детям школьного возраста. Все практическое использование может быть связана с повышенной электрической опасностью и разрешено детям только под присмотром взрослых.