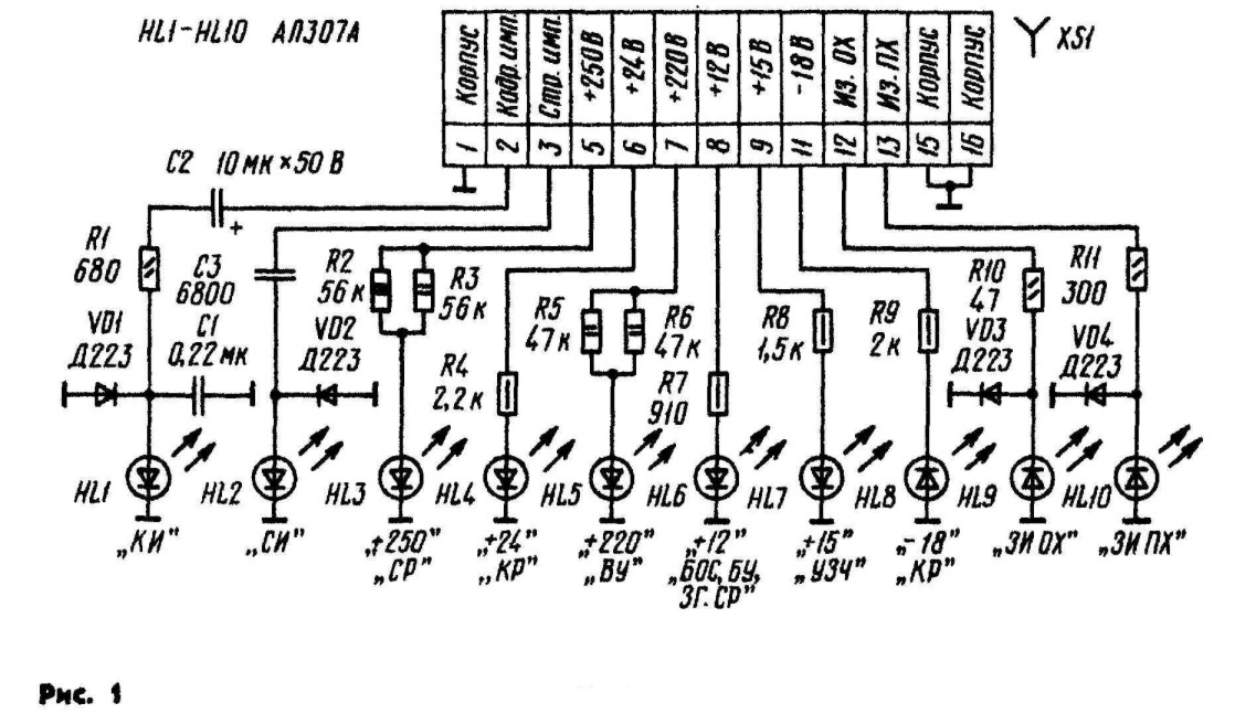
Поиск неисправностей в телевизорах моделей УПИМЦТ-61 и УПИМЦТ-67 значительно облегчается при использовании описываемого диагноз-тестера. Подключают его к штырям разъема ХЗ на кроссплате блока разверток со стороны печатных проводников. Устройство позволяет одновременно контролировать шесть постоянных и четыре импульсных напряжения в цепях блоков разверток и питания. Это ускоряет обнаружение дефектных элементов, которые трудно определить только заменой модулей. Принципиальная схема устройства изображена на рис. 1. расположение индикаторов на табло и их взаимосвязь — на рис. 2. Индикаторы (све-тодиоды HL1--—HL10) сигнализируют о неисправностях погасанием или изменением яркости свечения. Если же телевизор исправен, через светодиоды протекает ток около 10 мА, и они светятся одинаково. Рассмотрим работу каждого индикатора. Свечение светодиода HL6 указывает на наличие напряжения 12 В. Им питается модуль синхронизации МЗ-1-1, формирующий импульс запуска (ЗИ ОХ) тринистора обратного хода VT1 в блоке разверток, и ряд других узлов. При отсутствии этого напряжения (светодиод не горит) указанный модуль не работает и, как следствие, не вырабатываются постоянные (220, 24, —18 В) и все импульсные напряжения (не светятся HL1, HL2, HL4. HL5, HL8- HL10). Горящий индикатор HL3 сигнализирует о присутствии питающего выходной каскад строчной развертки (СР) напряжения 250 В. Если его нет, каскад не работает, отсутствуют постоянные напряжения 220, 24 и —18 В, а также запускающие импульсы прямого хода (ЗИ ПХ), строчные (СИ) и кадровые (КИ) импульсы. При этом светодиод HL4, индицирующий напряжение 24 В, светится слабо, так как на него через диод VD1 блока разверток поступает только 12 В. Напряжение 220 В, получаемое выпрямлением импульсов обратного хода строчной развертки, заставляет светиться индикатор HL5. Оно необходимо для работы выходных каскадов видеоусилителей (ВУ) в модулях М2-4-1 блока обработки сигналов (БОС). Отсутствие этого напряжения (светодиод HL5 не горит) приводит к чрезмерной нерегулируемой яркости свечения экрана. О наличии напряжения 24 В, поступающего на модули кадровой развертки (КР) и стабилизации, сигнализирует светодиод HL4. Если он не горит, работа модуля кадровой развертки МЗ-2-2 нарушена (растр намного смещен вниз), возможны выход из строя модуля стабилизации и, как результат, срабатывание устройства защиты в блоке питания. Светящийся индикатор HL7 указывает на присутствие напряжения 15 В, питающего модуль усилителя 34 (УЗЧ).
|
Без него канал звукового сопровождения не работает. Если одновременно не светятся индикаторы HL7 и HL6, то это свидетельствует об отсутствии Нестабилизированного напряжения —20 В, поступающего с выпрямительного моста VD1 —VD4 на модули МС-12-1 и МС-15-1 блока питания. Если же при горящем светодиоде HL6 не светится индикатор HL7, то неисправен модуль МС-15-1 (AR2) или цепь подачи питания 15 В. Наличие импульсов запуска тринистора обратного хода VT1 на выходе модуля синхронизации МЗ-1-1 показывает светодиод HL9. При их отсутствии выходной каскад строчной развертки не работает, напряжений 220,24, —18 В нет. запускающие импульсы прямого хода, строчные и кадровые импульсы не вырабатываются. Индикатор HL10 светится под действием запускающих импульсов прямого хода, которые формируются узлом обратного хода строчной развертки. Если они отсутствуют, нет постоянных напряжений 220, 24. —18 В, а также строчных и кадровых импульсов.
|
Светодиод HL2 гаснет при отсутствии строчных импульсов на вторичной обмотке выходного трансформатора. В этом случае не работает модуль стабилизации МЗ-3-1, что может привести к срабатыванию узла защиты и пропаданию напряжений 24, —18 В и кадровых импульсов. Напряжение -—18 В, необходимое для питания модуля кадровой развертки, контролирует светодиод HL8. Если этого напряжения нет, нарушается работа модуля кадровой развертки и центровка по вертикали (кадр намного сдвинут вверх, иногда за пределы экрана). Индикатор HL1 светится при наличии импульсов на выходе кадровой развертки. Они поступают в БОС и используются там для запуска мультивибратора в модуле формирования УМ2-1-1. Печатная плата устройства изображена на рис. 3. Она рассчитана на установку резисторов МЛТ, конденсаторов К50-12 (С2), К73-17(С1) и КД-1 (СЗ). Розетка XS1 — СНП-16.
Ю. Солодов г. Москва Радио № 4, 1985г.
|