В. КОЗЕЛЬСКИЙ, г. Луховицы Московской обл. При проектировании двухтактных импульсных преобразователей напряжения необходимо принять меры по предотвращению сквозного тока через коммутирующие транзисторы. Обеспечить нормальную работу преобразователей можно, если сформировать для управления транзисторами сигнал специальной формы (отличной от меандра). При конструировании импульсных блоков питания (ИБП), работающих на повышенной частоте, основное внимание уделяют обеспечению их надежности и высокого КПД. Именно этими качествами обладают двухтактные ИБП [1]. Однако без принятия специальных мер по устранению сквозного тока добиться устойчивой работы блоков с приемлемым КПД (80 %) невозможно. Сквозной ток в двухтактных ИБП возникает из-за конечного (ненулевого) времени выключения коммутирующих транзисторов. Дело в том, что время выключения (tвык) большинства мощных транзисторов, применяемых в ИБП, находится в пределах 1,5...8 мкс, а время их включения (tвкл) примерно в десять раз меньше. Это и приводит к тому, что на повышенной частоте форма тока в цепях коллекторов искажается, становится отличной от меандра. В результате увеличивается длительность импульсов тока и уменьшается, особенно на спаде, их крутизна.
Радикальный метод устранения сквозного тока - формирование в задающих генераторах (ЗГ) импульсов, отличающихся от меандра и имеющих паузы (tп), длительность которых в первом приближении равна tп = tвык - tвкл. Однако на практике время включения и выключения даже у двух одинаковых транзисторов различно. Зависит оно от напряжения первичного источника питания, температуры переходов, тока коллектора и т. д. Поэтому длительность паузы должна быть больше указанной величины, а лучше - регулируемой. Цель настоящей статьи - предложить наиболее простые способы формирования импульсов в ЗГ, пригодных для управления ИБП. В ней приведены схемы ЗГ различной сложности, обеспечивающих как фиксированную, так и регулируемую длительность паузы.
Иногда для управления ИБП необходимо получить импульсы низкого уровня с паузой. В этом случае в схеме рис. 2 элементы DD2.1, DD2.2 микросхемы К561ЛЕ5 заменяют одним элементом микросхемы К561ЛС2, а вместо элементов DD2.3, DD2.4 включают элементы И-ИЛИ по схеме 2ИЛИ. Для этого лишь необходимо на выводы 9 и 14 микросхемы К561ЛС2 подать напряжение высокого уровня. Если требуется увеличить мощность импульсов и крутизну их фронтов и спадов, в выходных ступенях ЗГ следует применять микросхемы ТТЛ и ТТЛШ. На рис. 4 приведена схема ЗГ на микросхемах ТТЛШ.
Интервал регулирования длительности импульса - от 0,2 мкс до 18 мкс (при частоте выходных импульсов 25 кГц). Длительность импульсов регулируют изменением напряжения на базе транзистора VT1, который подключает резистор R5 параллельно R6 и тем самым изменяет постоянную времени дифференцирующей цепи C3R6. Резистор R7 обеспечивает гистерезис и предотвращает самовозбуждение элемента DD2.1. На вывод Uynp можно подавать сигнал обратной связи от стабилизатора выходного напряжения ИБП. При налаживании ЗГ резистором R2 устанавливают длительность паузы, а резистором R5 - минимальную длительность (tn min) формируемых импульсов (диаграмма к). Следует отметить, что применение ШИМ в ИБП ограничивается тем обстоятельством, что с уменьшением длительности импульсов менее чем tи mах/2 резко снижается КПД ИБП, так как большую часть времени коммутирующие транзисторы находятся в ненасыщенном состоянии. Поэтому применение ИБП с ШИ стабилизацией выходного напряжения ограничено минимальной нагрузкой, обычно не менее 10 % номинальной.
Представляет интерес ЗГ (рис. 6), позволяющий устанавливать длительность паузы без времязадающих дифференцирующих цепей с применением счетчиков К561ИЕ8 (К561ИЕ9). Длительность паузы можно устанавливать дискретно изменением частоты тактового генератора и коэффициента деления счетчика в пределах, указанных в таблице для частоты выходного сигнала ЗГ 25 кГц. Из таблицы видно, что длительность импульса равна периоду тактового генератора. В ЗГ использованы микросхемы КМОП, имеющие десятичные счетчики с дешифраторами на выходе, однако это не исключает применение ТТЛ и ТТЛШ микросхем с дешифраторами на выходе. Коэффициент деления изменяют подключением цепи обратной связи (точка е на схеме рис. 6) на вход R счетчика и выхода к распределителю импульсов (точка д) [2]. Частоту тактового генератора регулируют изменением параметров цепи R1C1.
В остальном устройство не отличается от вышеописанных. Эпюры напряжения в точках схемы приведены на рис. 7 для частоты выходных импульсов ЗГ 25 кГц, длительности паузы 4 мкс при коэффициенте деления 5.
В принципе, во всех рассмотренных ЗГ (кроме ЗГ с дискретно изменяемой длительностью паузы, рис. 6) можно применить ШИ управление введением сигнала обратной связи с выхода ИБП на узел регулирования паузы, предусмотрев соответствующее ограничение минимальной и максимальной длительности импульса. Для гальванической развязки выходного напряжения ИБП от источника первичного напряжения по цепи обратной связи наиболее удобно и просто использовать компараторы в сочетании с оптронами как наиболее простой и дешевый способ. Однако применение ШИМ приводит к усложнению фильтра в цепи постоянного тока на выходе, что иногда сводит на "нет" массогабаритные и экономические показатели, особенно при малой мощности ИБП и требовании малого коэффициента пульсации выходного напряжения. ЛИТЕРАТУРА |
Задающие генераторы импульсных блоков питания
Doc
Просмотров: 10827
На рис. 1
представлена форма тока базы транзисторов ИБП (диаграммы а и б) и их коллектора
(в и г). Из диаграмм видно, что за время уменьшения тока IК1 увеличивается ток
IK2, что как раз и приводит к возникновению сквозного тока. На диаграммах в и г
штриховой линией показан сквозной ток на фронтах и спадах импульсов тока
коллекторов коммутирующих транзисторов.
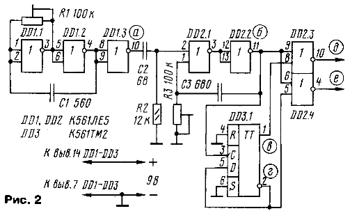
Устройство, схема
которого показана на рис. 2, позволяет сформировать импульсную
последовательность с регулируемой паузой. Тактовый генератор собран на элементах
DD1.1-DD1.3. Он вырабатывает импульсы - меандр удвоенной частоты по сравнению с
частотой переключения коммутирующих транзисторов (рис. 3, диаграмма а).
Дифференцирующая цепь C2R2 формирует короткие запускающие импульсы высокого
уровня, которые управляют работой формирователя длительности пауз на элементах
DD2.1, DD2.2 (рис.3, диаграмма б).
Устройство допускает
широтно-импульсное регулирование выходного напряжения ИБП. Узел ШИМ собран на
элементах DD2.1, VT1, VT2, R3, С3, R5, R6. Диаграммы напряжения показаны на рис.
5. Здесь: Unop - пороговое напряжение переключения элементов DD1.4 и DD2.1; tпф
- фиксированная длительность паузы;
