
Наиболее удобным устройством, позволяющим оптимизировать температуру жала электропаяльника, является тиристорный регулятор мощности. Ниже помещено описание одного из таких регуляторов, построенного на доступных элементах. Он рассчитан на совместную работу с наиболее распространенными электропаяльниками мощностью 40 и 80 Вт.
Регулятор может нормально работать совместно с нагрузкой мощностью до 200 Вт; если тринистор установить на теплоотвод с эффективной поверхностью рассеяния тепла 200...250 кв.см, мощность нагрузки можно довести до 400 Вт. Применение тринистора из серии КУ201 позволило без усложнения увеличить стойкость регулятора к случайным замыканиям цепи нагрузки.
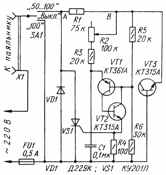
Паяльник соединен последовательно с тринистором VS1 (рис.1), встречно-параллельно которому включен диод VD1. Поэтому при закрытом тринисторе через нагреватель паяльника протекают минусовые полупериоды сетевого тока, обеспечивая его работу с мощностью, равной примерно половине номинальной. Когда тринистор полностью открыт в течение каждого плюсового полупериода, паяльник работает при мощности, близкой к номинальной.
В течение минусовых полупериодов сети напряжение между точками А и Б равно прямому падению напряжения на диоде VD1 (около 0,6 В), поэтому узел формирования импульсов, открывающих тринистор, не работает, тринистор закрыт. В начале плюсового полупериода сети диод VD1 закрывается и напряжение Uаб между точками А и Б увеличивается, соответственно увеличивается и напряжение Uвб между точками В и Б.
К середине полупериода напряжение Uаб становится равным амплитудному значению, а напряжение Uвб, достигнув примерно 7 В, далее не увеличивается. Этим устройство обязано "стабилитрону", в роли которого выступает обратно включенный эмиттерный переход транзистора VT3.
Стабилизированным напряжением Uвб питается формирователь открывающих импульсов, собранный на зарядном конденсаторе С1 и аналоге однопереходного транзистора VT1VT2. Конденсатор С1 начинает заряжаться от начала плюсового полупериода. Напряжение на нем увеличивается до момента открывания аналога однопереходного транзистора. В этот момент конденсатор разряжается через аналог и управляющий переход тринистора, что приводит к открыванию тринистора.
Время зарядки конденсатора до момента открывания тринистора в пределах полупериода можно регулировать переменным резистором R2, изменяя тем самым мощность, выделяемую в нагрузке.
Как только открывается тринистор, напряжение на нем (Uаб) уменьшается примерно до 2 В и формирователь открывающих импульсов выключается. Тринистор остается открытым до конца плюсового полупериода, после чего закрывается. С началом очередного минусового полупериода сети описанный процесс повторяется.
Переключателем SA1 выбирают режим работы регулятора. В верхнем по схеме положении переключателя регулятор включен и позволяет устанавливать мощность паяльника в пределах от 50 до 100% от номинальной. В среднем положении переключателя и регулятор, и паяльник выключены, а в нижнем - регулятор выключен, а паяльник включен на полную номинальную мощность.
Регулятор собирают на печатной плате из фольгирсванного стеклотвкстолита толщиной 1 мм. Чертеж одного из вариантов печатной платы устройства, рассчитанного на работу с паяльником 40 или 80 Вт, показан на рис.2.
Плата изготовлена без травления хлорным железом; нужно только прорезать фольгу резаком по линиям чертежа и, поддев ножом край фольги с угла, удалить пинцетом незаштрихованные ее участки. Детали на плату монтируют со стороны фольги. Места припайки выводов обозначены на чертеже точками.

Плату помещают в прямоугольную коробку из теплостойкой пластмассы, которую удобно использовать одновременно в качестве подставки для паяльника. На одной из стенок коробки монтируют гнезда X1, арматуру предохранителя FU1 и переменный резистор R3.
Около ручки резистора R3 целесообразно нанести простейшую шкалу из шести равных делений и оцифровать их числами 50, 60, 70, .... .100, означающими мощность в процентах от номинальной. На самом деле зависимость мощности от угла поворота ручки нелинейна, но эта неточность для практики пайки несущественна, тогда как наличие шкалы заметно облегчает пользование регулятором.
Еще более удобной станет шкала, если вместо роторного (поворотного) применить ползунковый переменный резистор (с поступательным перемещением движка).
Можно собрать регулятор и в металлической коробке, но в этом случае следует при монтаже проследить за тем, чтобы коробка не оказалась под напряжением сети. Ручка переменного резистора должна быть обязательно пластмассовой.
Номинал переменного резистора R2 может быть любым в пределах от 33 кОм до 100 кОм. Транзисторы подойдут с любыми буквенными индексами. Конденсатор С1 - любой, емкостью от 0,05 до 0,1 мкФ. Диод VD1 -любой кремниевый на обратное напряжение не менее 300 В и прямой ток не менее 0,5 А; Если ограничиться мощностью нагрузки 200 Вт, то подойдет диод Д226Б.
Налаживания регулятор, как правило, не требует. Если после сборки он не заработал, это говорит о неисправности вероятнее всего либо тринистора, либо одного из транзисторов. Неисправность транзистора VT3 можно установить, временно заменив его стабилитроном Д814А, a VT1 и VT2 - заведомо исправными транзисторами.
Если в собранном регуляторе исправен, но не открывается тринистор (нет регулирования мощности), то это означает, что примененный экземпляр тринистора имеет слишком низкую чувствительность по управлению. Иначе говоря, энергии импульса, вырабатываемого в регуляторе, недостаточно для открывания тринистора. Такой экземпляр лучше всего заменить более чувствительным.
Обсудить эту статью
Вся информация, предоставленная на данном ресурсе разрешена к ознакомлению детям школьного возраста. Все практическое использование может быть связана с повышенной электрической опасностью и разрешено детям только под присмотром взрослых.