Много существует установок, где надо очень точно выдерживать скорость вращения электродвигателей, - высококачественные магнитофоны, (в том числе и видео), прецизионные станки, научные приборы... Но стоит измениться напряжению в сети или нагрузке на вал мотора, как меняется и количество его оборотов. Чтобы такого не происходило, повышают напряжение питания. Это нужно для того. чтобы при больших нагрузках его заведомо хватало, а при маленьких - "избыток" напряжения попросту гасят на силовом транзисторе автоматического электронного стабилизатора, поддерживая таким образом у двигателя постоянного тока заданную скорость вращения. Казалось бы, невелика, всего с полпальца, деталь, и мощность, рассеиваемая на ней. не столь значительна. Однако на миллионах таких элементов в масштабах всей страны буквально уходит в воздух, (то есть идет на нагрев транзисторов) очень много энергии.
А что, если обойтись без повышенного напряжения для питания мотора, а просто выключать его на очень короткое время - скажем, на сотые доли секунды? Остановиться он не успеет - будет вращаться по инерции. Если обороты увеличились (при уменьшении нагрузки), то продолжительность паузы автоматически станет возрастать, и наоборот. Тогда потребление энергии резко сократится - она нигде не "гасится", нагрузка лишь на время отключается от источника питания. Однако сделать такой "выключатель" непросто. Тем более что в момент раскрутки двигателя ток его велик и напряжение источника питания может "подсаживаться".
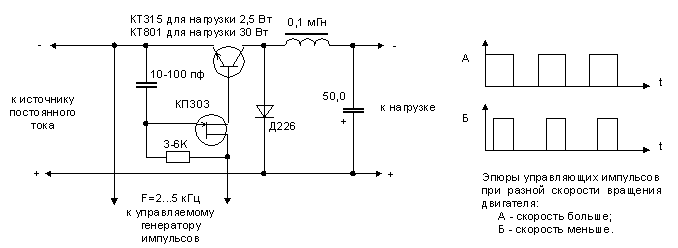
Нужный стабилизатор (см. схему) сконструировал сотрудник Московского инженерно-физического института канд. техн. наук В. Бирюлин. В отличие от подобных устройств в его стабилизаторе всегда поддерживается постоянное соотношение между током нагрузки и током базы силового транзистора, через который осуществляется питание электродвигателя (чем больше ток нагрузки, тем больше и ток базы). Это стало возможным благодаря применению здесь униполярного (полевого) транзистора - такого, в котором ток создается движением лишь одного "сорта" носителей зарядов,а не электронами и "дырками", как в биполярных транзисторах. И стабилизатор получился значительно проще по структуре, потребляет меньше энергии, в нем используются более дешевые маломощные транзисторы. А его КПД на рассчетной нагрузке достигает96-97%.Конструкция устройства признана изобретением (а. с. 903830).
Экономичный стабилизатор скорости вращения электродвигателей
Doc
Просмотров: 9180