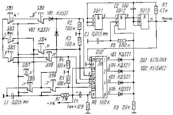
Формирователь заданного числа импульсов содержит шифратор на кнопочных переключателях SB1-SB9 и диодах VD1, VD2, управляемый генератор на микросхеме DD1 и декадный счетчик на микросхеме DD2.
При включении питания счетчик DD2 устанавливается в нулевое состояние (0000), а конденсатор С1 начинает заряжаться через резистор R1. При кратковременном нажатии на одну из кнопок SB1-SB9 конденсатор С1 разряжается через один из резисторов R2-R5 (в зависимости от нажатой кнопки), а счетчик принимает одно из девяти состояний (десятое состояние - исходное, 0000). На выводе 8 микросхемы DD1 устанавливается уровень логической единицы и через резистор R8 заряжается конденсатор С3. Параметры цепи R8C3 выбраны так, что включение генератора задержано на время разряда конденсатора С1.
Как только конденсатор С3 зарядится, включится управляемый генератор. Вырабатываемое им количество импульсов равно числу, дополняющему содержимое счетчика DD2 до 10.
Когда счетчик при своей работе перейдет в состояние 0000, на выводе 8 микросхемы DD1 установится уровень логического нуля (так как R8 >> R9) и генератор выключается. После разрядки конденсатора С3 через резисторы R8, R9 и зарядки конденсатора С1 можно нажать следующую кнопку.
Числоимпульсный генератор
А. ВЗДОРНОВ
Просмотров: 5745