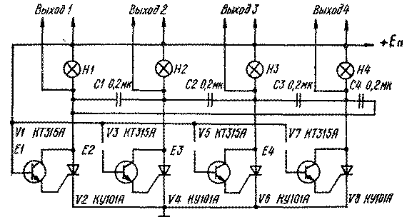
Многовходовую схему сенсорного устройства на тринисторах, предложенную Ю. Сбоевым, можно применить для переключения телевизионных каналов, диапазонов приемников и др.
На схеме показаны четыре одинаковые сенсорные ячейки, каждая из которых содержит тринистор, транзистор, коммутирующий конденсатор и индикатор. При касании пальцем любой из четырех пар контактов Е1...Е4 в цепи базы соответствующего транзистора (VI, V3, V5 или V7) потечет ток, открывающий транзистор, который в свою очередь откроет соответствующий тринистор. Конденсаторы С1...С4 служат для выключения ранее работающей ячейки при касании сенсора другой ячейки, так как в этом случае напряжение этих конденсаторов оказывается приложенным к работавшему тринистору с обратной полярностью, что приводит к его выключению. Для индикации состояния ячеек служат лампы Н1...Н4.
Детали: транзисторы типа КТ315, П307...П308); конденсаторы типа МБМ; индикаторные лампы СМ37 либо любые другие, соответствующие напряжению питания сенсорного устройства. Максимально допустимый ток через открытый тринистор КУ101А ≈ 75 мА, поэтому сопротивление нагрузки выбирают, исходя из указанного тока. Напряжение питания устройства 10...30 В. Емкость конденсаторов С1...С4 подбирают при налаживании схемы. Величина емкости должна быть не менее С = 36t/R, где t ≈ время выключения тринистора, R ≈ сопротивление нагрузки.
Многовходовое сенсорное устройство
Doc
Просмотров: 3827