Предлагаемый вниманию читателей прибор позволяет проверять транзисторы любой проводимости, в некоторых случаях даже не выпаивая их из схемы. Первая известная автору схема была опубликована в болгарском журнале [1]. Затем были предложены схемы в других изданиях [2, 3].
Примечательно, что в более поздних схемах шло усложнение схемотехники прибора. Однако можно создать относительно простую схему без применения микросхем, если использовать мультивибратор. Но всем известный мультивибратор имеет низкую нагрузочную способность.
Исправить этот недостаток можно используя модифицированный мультивибратор, предложенный в [4].
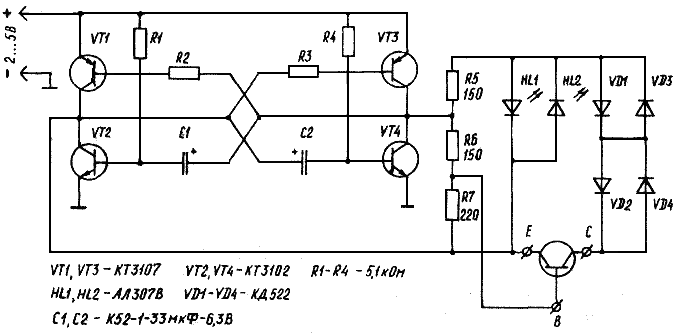
Схема прибора, разработанная на основе этого мультивибратора, приведена на рис.1.
Как видно из схемы, вместо нагрузочных резисторов, в коллекторы транзисторов мультивибратора включены комплиментарные транзисторы.

Таким образом, схема генератора представляет собой комбинацию мультивибратора и триггера.
Транзисторы VT1, VT3, на которых собран триггер, служат активной нагрузкой транзисторов мультивибратора.
Остальная часть схемы представляет собой цепи смещения и индикации проверяемого транзистора.
Необходимо отметить, что предлагаемая схема работоспособна в широком диапазоне питающих напряжений (от 2 до 5 В). Это позволяет питать ее от 2 или 3 гальванических элементов. При этом потребляемый ток изменяется от 10 до 50 мА.
Если предполагается питать прибор от источника 5 В, то для уменьшения потребляемого тока номинал резистора R5 целесообразно увеличить до 220...300 Ом.
Частота мультивибратора при изменении емкости конденсатора С1 (С2) от 22 мкФ до 100 мкФ изменяется в пределах 5,0... 1,0 Гц.

Данный прибор с помощью щупов подключается к проверяемому транзистору в схеме.
Если проверяемый транзистор исправен, то мигает только один светодиод, показывающий соответствующую проводимость.
Если мигают оба светодиода, это означает внутренний обрыв. Если не мигает ни один из светодиодов, значит, есть замыкания внутри транзистора.
Прибор собран на печатной плате из одностороннего фольгированного стеклотекстолита толщиной 1,5 мм с размерами 60x30 мм.
Расположение радиоэлементов на печатной плате приведено на рис.2, а чертеж печатной платы — на рис.3.
Детали. Вместо указанных на схеме транзисторов можно применить транзисторы КТ315Б, КТ361Б с коэффициентом усиления больше 100.
Резисторы применены типа МЛТ (С2-33) Конденсаторы — типа К53-14, К53-21.
Диоды — любые кремниевые, типа КД102, КД103, КД521. Светодиоды зеленого свечения — АЛ307В.
О. Белоусов
Литература:
1. Г. Кузев. Пробник за транзисторы. - Радио, телевизия, электроника. 1986, №12, С.35.
2. Хливнюк В. Прибор для проверки транзисторов любой проводимости. — РадиоАматор, 1997, №4, С.31.
3. Дайджест. — РадиоАматор, 1995, N10, С.20.
4. Кириллов В. Мультивибратор с активной нагрузкой. — Радио, 1986, №10, С.41.