Входной делитель частоты

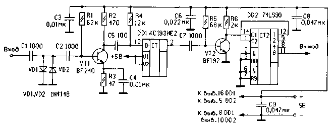
Предварительный делитель частоты на микросхеме ЭСЛ КС193ИЕ2 позволяет значительно расширить область применения относительно низкочастотных частотомеров, собранных на обычных микросхемах ТТЛ. Предлагаемый делитель, в основу которого положена работа названной выше микросхемы, осуществляет деление частоты входного сигнала на 100. Принципиальная схема устройства приведена на рисунке. На его входе включен двусторонний диодный ограничитель, защищающий от перегрузки транзистор VT1 при подаче на вход устройства сигналов большого размаха.

 

 Каскад на микросхеме DD1 выполняет функцию делителя на 10. На тран зисторе VT2 собрано устройство согласования уровней сигнала выхода микросхемы ЭСЛ с входом микросхемы ТТЛ DD2, тоже выполняющей роль делителя на 10. В результате общий коэффициент деления всего устройства составляет 100.

Полученную на выходе устройства частоту можно измерить частотомером с пределом измерения 5 МГц. Для этого подойдут обычные универсальные измерители частоты. Интегральная микросхема КС193ИЕ2 нормально работает при напряжении питания 5 В ±5 %. Минимальная частота входного сигнала составляет 10 МГц (хотя допустимо и 5 МГц), максимальная - до 500 МГц.

Достижение максимальных возможностей устройства по частоте в немалой степени зависит и от выбора микросхемы DD2 Так при использовании серийного счетчика типа 7490 устойчивая работа устройства сохраняется до 210 МГц, при использовании микросхемы LS серии (74LS90) граница частоты входного сигнала может быть повышена до 290 МГц

При выполнении делителя вместо транзистора BF240 допустимо использовать отечественный КТЗ15Д, а вместо BF197- транзистор KT339Г Диоды можно применить КД510А. КД521 с буквенными индексами А - В. Как предупреждает автор, серьезно следует отнестись к выбору микросхемы DD2, ведь рекомендуемая-для замены микросхемы 74LS90 отечествен ная микросхема ТТЛ КР1533ИЕ2 имеет предельную частоту счета 32 МГц. Чтобы полностью реализовать возможности микросхемы КС193ИЕ2, вместо 74LS90 следует использовать микросхемы ТТЛ серии К530 или K531 (например К531ИЕ14).

Обсудить эту статью на форуме (0 ответов).
Вся информация, предоставленная на данном ресурсе разрешена к ознакомлению детям школьного возраста. Все практическое использование может быть связана с повышенной электрической опасностью и разрешено детям только под присмотром взрослых.