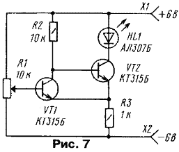
Как известно, это устройство используется обычно для преобразования медленно изменяющегося напряжения в сигнал прямоугольной формы.
Когда движок переменного резистора R1 находится в нижнем по схеме положении, транзистор VT1 закрыт. Напряжение на его коллекторе высокое. В результате транзистор VT2 оказывается открытым, а значит, светодиод HL1 зажжен. На резисторе R3 образуется падение напряжения.
Медленно перемещая движок переменного резистора вверх по схеме, удастся достичь момента, когда произойдет скачкообразное открывание транзистора VT1 и закрывание VT2. Это случится при превышении напряжения на базе VT1 падения напряжения на резисторе R3. Светодиод погаснет.
Если после этого перемещать движок вниз, триггер возвратится в первоначальное положение - вспыхнет светодиод. Это произойдет при напряжении на движке меньшем, чем напряжение выключения светодиода.
Триггер Шмитта
Doc
Просмотров: 6049