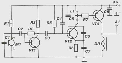
Микропередатчик филин-3

www.radio-portal.ru__radiomic21-1VT1 - КТ3130Б9
VT2 - КТ368А9
VT3 - КТ3126Б
R1 - 12 кОм
R2 - 300 кОм
R3 - 4,7 кОм
R5 - 20 кОм
R6 - 200 Ом
R7 - 200 Ом
С1 - 100 пФ
С2 - 0,1 мкФ
С3 - 0,1 мкФ
С4 - 500...1000 пФ
С5 - 22 пФ
С6 - 12 пФ
С7 - 39 пФ
С8 - 33 нФ
Микрофон М1 типа МКЭ-332 или зарубежный аналог
Длина антенны А1- 95 см
L1 - 6 витков на оправке диаметром 3 мм,диаметр провода 0,4 мм
Дроссель DR1 содержит 20 витков провода диаметром 0,1 мм на ферритовом кольце 2х4х7 (Подходит любой с индуктивностью 100мГн).

Примечания:
Конденсатор С8 паять с обратной стороны платы.

Конденсатор С1 паять на микрофон М1.

П1,П2 - перемычки для подачи питания.

пн - навесная пайка.

Устройство представляет собой микропередатчик, работающий на одной из свободных частот FM-диапазона . Приёмным устройством может служить любой радиоприёмник, имеющий "Западный диапазон УКВ (FM 88-108 МГц). При эксплуатации устройства,его антенна должна быть расположена вертикально и удалена от металических предметов. Приёмник следует выбирать с максимальной чувствительностью.Выполнение этих условий обеспечивает максимальную дальность действия.

Обсудить эту статью на форуме (0 ответов).
Вся информация, предоставленная на данном ресурсе разрешена к ознакомлению детям школьного возраста. Все практическое использование может быть связана с повышенной электрической опасностью и разрешено детям только под присмотром взрослых.