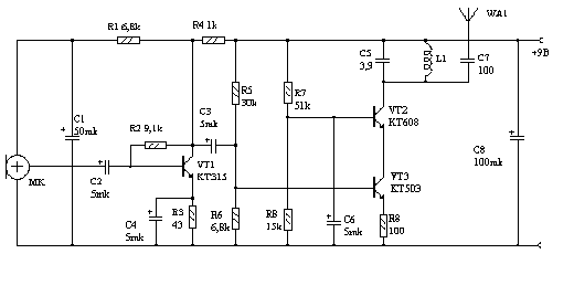
Отличительной особенностью данной схемы является эмиттерная модуляция, осуществляемая с помощью транзистора VT3.
Для лучшей компоновки в корпусе, ширина платы разработана под длину элемента типа "Корунд", но первостепенное значение в минимизации изделия имеет принцип электрического решения самой схемы.
При применении микрофона МКЭ-3 диапазон частот составляет 50...15000 Гц.
Катушка L1-бескаркасная, имеет пять витков медного посеребрянного провода диаметром 0,9 мм на оправе диаметром 7 мм.
Все резисторы типа МЛТ-0,125, электролиты С1-С4, С6 и С8 типа К50-35, высокочастотные конденсаторы С5 и С8 типа КТ-1. Длину антенны можно уменьшить до 500 мм.
Радиомикрофон 88-108 МГц
Doc
Просмотров: 4289