Радиомикрофон на полевом транзисторе

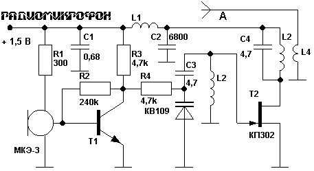
www.radio-portal.ru__rm13Особеностью этого микрофона является полевой транзистор в выходном каскаде. С частотной модуляцией,работает на частоте 88-108МГц.Дальность до 100м в прямой видимости.
Подбором сопротивления резистора R2 выставляется напряжение на коллекторе транзистора T1 порядка 0,75 В.Для полной настройки подбирается сопротивление резистора R4.
L1-беcкаркасная намотана проводом ПЭВ 0,4 на оправке диаметром 3 мм и содержит 25 витков. L2=L3-беcкаркасные намотаны проводом ПЭВ 0,56 мм,содержат по 10 витков на оправке 5 мм (0,45 мкГн) L4-проводом ПЭВ 0,4 мм,поверх L3 содержит 2 витка.
Антена длиной 25 см.
Детали.
Т1-КТ3102,КТ342
T2-КП302
Варикап-КВ109,КВ121,КВ122

Обсудить эту статью на форуме (0 ответов).
Вся информация, предоставленная на данном ресурсе разрешена к ознакомлению детям школьного возраста. Все практическое использование может быть связана с повышенной электрической опасностью и разрешено детям только под присмотром взрослых.