ЧМ передатчик с высоким КПД

www.radio-portal.ru__bugs46Передатчик построен всего на двух транзисторах, но при этом обладает довольно высокими показателями за счет оригинального включения ВЧ транзистора. При тщательной настройке передатчика, собранного по этой схеме, можно добиться характеристик не хуже, чем у собранных по схеме с использованием однокаскадного усилителя ВЧ.

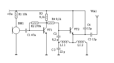
Сигнал с микрофона через разделительный конденсатор С2 и фильтр НЧ С3 поступает на микрофонный усилитель, построенный на транзисторе VT1. Далее, усиленный сигнал через резистор R6 поступает на вход генератора радиочастоты на VT2. Генератор выполнен по схеме с положительной обратной связью (конденсатор С4), в виду чего обеспечивается высокий размах выходного радиосигнала по напряжению и высокая стабильность частоты. Режим по постоянному току генератора задается резистором R6. Конденсатор С4 выбирают по оптимальному размаху ВЧ сигнала, на данной частоте. Например, для частот 92-98 Мгц. величина емкости С4-8.2 pF, конденсатор С6 порядка 22 pF, катушка наматывается виток к витку проводом ПЭВ-0,36 на оправке диаметром 4 мм, и имеет 10 витков с отводом от середины. Транзистор VT2-обязательно КТ325, VT1-КТ3102 с любым буквенным индексом. Микрофон используется малогабаритный, типа "Сосна".

Настройка заключается в подборе резистором R4 минимального тока потребления генератора при максимальной выходной мощности, измеряемой активным индикатором поля (с УРЧ) на расстоянии не менее 0.5 м, во избежание паразитных связей.

Для обеспечения максимального КПД можно также подобрать емкость С4 по минимальному ограничению несущей в базе транзистора VT2. Для более точной подстройки частоты генератора необходимо немного раздвинуть витки катушки L1.

 

Обсудить эту статью на форуме (0 ответов).
Вся информация, предоставленная на данном ресурсе разрешена к ознакомлению детям школьного возраста. Все практическое использование может быть связана с повышенной электрической опасностью и разрешено детям только под присмотром взрослых.