Схема антенного блока показана на рис. 1.
Его размещают вблизи от антенн. Питают блок по кабелю снижения, а управление
им осуществляется изменением питающего напряжения, поступающего на гнездо
XW3 и далее через дроссель L1 — на узел управления (VT1—VT3) и на УВЧ
(VT4). Если питающее напряжение отсутствует или не превышает 1,5В, реле
К1—КЗ будут обесточены, а трансивер через их контакты подключен к антенне
1 (гнездо XW1). АУ при этом не работает. Чтобы подключить антенну 2,
на блок подают напряжение питания около 7 В. При этом открывается транзистор
VT2, срабатывает реле К1. Для того чтобы включить АУ, на устройство
подают напряжение 11 или 15В. Если трансивер должен работать с антенной
2, подают напряжение 11 В. При этом откроется транзистор VT3, реле К2
и КЗ сработают и подключат АУ. При переходе в режим передачи питающее
напряжение автоматически уменьшается до 7 В и АУ отключается. Если трансивер
работает с антенной 1, то при включении АУ подают напряжение 15 В. Откроется
транзистор VT1, a VT2
закроется. Реле К1 обесточит-ся, поэтому будет
подключена антенна 1 и АУ. При переходе в режим передачи питающее напряжение
уменьшится до 1.2В, поэтому АУ отключится (антенна 1 останется подключенной).
АУ собран на малошумящем по левом транзисторе и обеспечивает усиление
около 12 дБ на диапазоне 430 МГц при полосе пропускания примерно 10
МГц. На входе
и выходе транзистора установлены согласующие LC-контуры на полосковых
линиях и защитные диоды. Напряжение питания АУ стабилизировано микросхемой
DA1. В предлагаемом варианте блока оп
исан усилитель на диапазон 430
МГц, но взамен него можно установить усилитель диапазона 144 МГц, немного
изменив печатную плату (см. статью "Антенный усилитель диапазона
2 метра" в "Радио", 2000, № 1, с. 62, 63.) Схема блока
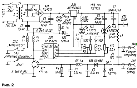
питания показана на рис. 2, а алгоритм его работы приведен в таблице.
На трансформаторе Т1, диодном мосте VD1 и конденсаторе СЗ собран выпрямитель
с выходным напряжением 23...25 В. Микросхема
DA1 — управляемый стабилизатор напряжения. Диоды VD3 и VD4 — детектор
ВЧ напряжения. Блок подключают к трансиверу через разъем XW2, а кабель
снижения — к XW1. Переключают режимы тумблерами SA2 и SA3.В режиме работы
с антенной 1 и выключенном антенном усилителе (как показано на рис.
1 и рис. 2) на входах дешифратора низкий логический уровень, он же присутствует
на выходе О DD1, на выходе микросхемы DA1 напряжение 1,2 В. Если перевести
тумблер SA2 в положение "2", то на вход АО дешифратора DD1
поступит высокий уровень. Состояние дешифратора изменится, выходное
напряжение блока увеличится до 7 В и загорится светодиод HL2. Тумблером
SA3 включают АУ. При переходе в режим передачи ВЧ сигнал трансивера
выпрямляется диодами VD3, VD4 и поступает на транзистор VT1. Он открывается
и устанавливает на входе А1 дешифратора низкий уровень. Это приведет
к тому, что АУ будет отключен. Иными словами, блок питания позволяет
осуществлять независимое переключение антенн и включение АУ. Большинство
деталей антенного блока размещены на печатной плате из двусторонне фольгированного
стеклотекстолита толщиной 1,5 мм, эскиз которой показан на рис. 3. Обе
стороны соединены друг с другом по краю платы с помощью фольги, кроме
того, они соединены и через отверстия в плате. Плату размещают в металлическом
корпусе, на одной из стенок которого устанавливают гнезда XW1 —XW3.
Гнезда
надо применить блочно-кабелыные. В АУ можно применить транзисторы VT1—VT3
серий КТ3102 с буквенными индексами А—Е, КТ312В, КТ503Б, КТ503Г; VT4
- АП324А-2, АП324Б-2, АП343А-2. Стабилитрон VD1 — любой маломощный с
напряжением стабилизации 14...16 В, VD2 — 9...11 В. В усилителе диапазона
144 МГц диоды VD3—VD6 можно заменить на КД522Б. Подстроечные конденсаторы
— КТ4-25, постоянные желательно применить К10-17 или другие малогабаритные
с выводами минимально возможной длины. Реле К1—КЗ — РЭК-43 с напряжением
срабатывания около 5 В. Дроссели L1 и L3 намотаны проводом ПЭВ-2 0,4
на оправке диаметром 3...3.5 мм и содержат 8... 10 витков (12... 15
витков для диапазона 144 МГц). Налаживание устройства сводится к настройке
входного и выходного контуров усилителя на центральную частоту диапазона.
Для повышения устойчивости работы усилителя на вывод стока рекомендуется
нанести немного поглощающего материала на основе карбонильного железа.
Макет антенного блока имел следующие параметры: вносимые потери в режиме
передачи были 0,35 (144 МГц) и 0,45 дБ (430 МГц), а КСВ соответственно
1,15... 1,2 и не более 1,1. Затухание сигнала со стороны неподключенной
антенны составило -36 и -30 дБ. В блоке питания транзистор VT1 можно
заменить на КТ3102 с любым буквенным индексом или транзистор серии КТ312
с индексами А—В. Диодный мост VD1 — любой с допустимым обратным напряжением
не менее 100 В и током не менее 100 мА. Светодиоды
можно применить любые с рабочим током до 15...20 мА и падением напряжения
не более 3 В. Полярные конденсаторы — К50-6, К50-16 или аналогичные
импортного производства, остальные — К10-17, причем С4, С5, С8—СЮ должны 
иметь выводы минимальной длины. Дроссель L1 аналогичен дросселю L1 антенного
блока. Подстроечные резисторы — СПЗ-19, постоянные — МЛТ, С2-33. Тумблеры
SA1—SA3 — МТ-1 или аналогичные. Часть деталей блока питания размещена
на печатной плате из двусторонне фольгированного стеклотекстолита толщиной
1,5 мм, эскиз которой показан на рис. 4. По периметру платы обе стороны
соединены друг с другом фольгой. Остальные детали можно смонтировать
произвольно, в том числе и навесным монтажом. Микросхему DA1 необходимо
разместить на теплоотводе площадью около 100см2. Налаживание блока питания
сводится к установке требуемых значений выходного напряжения в соответствии
с таблицей. При этом сигнал передатчика можно имитировать установкой
резистора сопротивлением 10 кОм между катодом стабилитрона VD2 и базой
транзистора VT1.