Микропередатчик со стабилизацией тока

Схема проста в настройке и изготовлении, позволяет изменять частоту задающего генератора в шmicroper01ироких пределах. Устройство сохраняет работоспособность при величине питающего напряжения выше 1В.

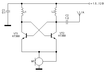
Генератор высокой частоты собран по схеме мультивибратора с индуктивной нагрузкой. Изменение частоты колебаний высокой частоты происходит при изменении тока, протекающего через транзисторы VT1, VT2 типа КТ368. При изменении тока меняются параметры проводимости транзисторов и их диффузионные ёмкости, что позволяет варьировать частоту такого генератора в широких пределах без изменения частотозадающих элементов-катушек L1 и L2. Для повышения стабильности частоты и возможности управления генератором с целью получения частотной модуляции питание последнего осуществляется через стабилизатор тока. Стабилизатор и модулирующий усилитель выполнены на электретном микрофоне М1 типа МКЭ-3, М1-Б2 «Сосна» и им подобным. При использовании кондиционных деталей уход несущей частоты при изменении напряжения питания с 1,5 до 12В не превышает 150кГц (при средней частоте генератора 100 МГц).

Обсудить эту статью на форуме (0 ответов).
Вся информация, предоставленная на данном ресурсе разрешена к ознакомлению детям школьного возраста. Все практическое использование может быть связана с повышенной электрической опасностью и разрешено детям только под присмотром взрослых.