Передатчик ТТЛ сигнала на частоту 700МГц.

 

Схема собиралась из того что было под руками для проведения опытов на частоте передатчика 700МГц. В скором времени должно появиться устройство, рассчитанное именно на этот диапазон.

 

rn000061

Схема.

 

 

Печатная плата.

 

 

 

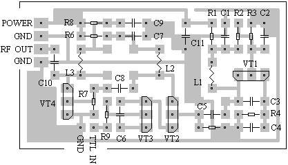
Размещение элементов на печатной плате.

 

 

 

 

 

Дросселя - провод диаметром 0.23мм, длинной 1/4 длинны волны намотан на каркас из центрального изолятора коаксиального, телевизионного кабеля.

 

Схема работает устойчиво с отличным качеством сигнала. Дальность связи с этим передатчиком 50..100м, небольшая мощность обусловлена применением транзисторов с низкой граничной частотой 900МГц.. На более высокие частоты транзисторы в аналогичном варианте не выпускаются или они не распространены.

Надо обратить внимание на намотку дросселей. На большой частоте возрастает влияние паразитных емкостей, в том числе и межвитковых емкостей дросселей, поэтому витки дросселя следует немного раздвинуть.

Обсудить эту статью на форуме (0 ответов).
Вся информация, предоставленная на данном ресурсе разрешена к ознакомлению детям школьного возраста. Все практическое использование может быть связана с повышенной электрической опасностью и разрешено детям только под присмотром взрослых.