Передатчик предназначен для амплитудно-частотной модуляции видеосигнла с видеоаппаратуры (видеокамер, тюнеров, магнитофонов, персональных компьютеров и т.д.) на телевизионный приемник. Предатчик подключают непосредственно к видеоаппарату, что исключает необходимость иметь видеовход на телевизионном приемнике. 
Совместив такой передатчик с бескорпусной видеокамерой, нетрудно получить установку для беспроводного наблюдения, а для экономичной работы батарей питания рекомендуется совместить это устройство с инфракрасным детектором присутствия, серийно выпускающимся многими зарубежными фирмами и стоящим относительно недорого, например детектором "REFLEX" фирмы "TEXECOM:" способным улавливать постороннее вмешательство, устойчив на ложное срабатывание, электромагнитное и радиочастотное излучение.
Дополнив схему видеопередатчика усилителем высокой частоты, выполненном на одном транзисторе типа КТ325, можно увеличить выходную мощность передатчика, и соответственно дальность беспроводной связи с телевизионным тюнером.
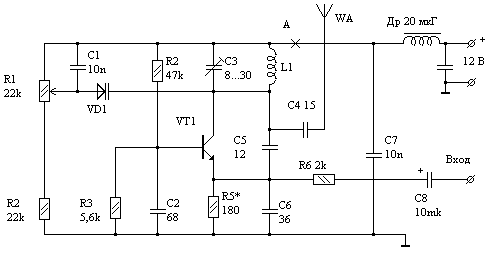
Принципиальная схема передатчика содержит один транзистор VT1 типа КТ603Г. Предатчик настраивают на частоту одного из свободных от телевизионного вещания каналов (например, 1..5 канал). Подстройка осуществляется с помощью подстроечного конденсатора С4, которым добиваются захвата немодулированного сигнала. Точная настройка передатчика производится резистором R1. Сигнал от видеоприбора подается на вход передатчика в цепь эммитера транзистора через резистор R6 и конденсатор С9.
Промодулированный видеосигнал с коллектора поступает на колебательный контур L1C4 в антенну. Ток в точке А подбирается в пределах 30..35 мА.
Правильно собранный передатчик работает сразу. В случае отсутствия генерации необходимо проверить напряжение на эммитере транзистора VT1, причем напряжение на нем должно отличаться от напряжения на базе на 1..2 В в большую сторону.
Передатчик следует питать от стабилизированного источника питания. Антанна должна иметь жесткую конструкцию, например типа телескопической.
Вместо транзистора КТ603 можно использовать КТ608Б или другой, с подходящими параметрами.
Передатчик желательно поместить в экран с целью уменьшения помех.