
Большинство любительских радиопередатчиков выполнены по схемам с колебательным контуром в частотозадающей цепи. При этом они имеют, как правило, один высокочастотный каскад. Этот каскад выполняет одновременно роль задающего генератора и усилителя мощности. Такие схемы при своей простоте и миниатюрности готовой конструкции имеют и свои недостатки. Это большая нестабильность колебаний высокой частоты и маленькая выходная мощность.
Схема, приведенная на рисунке, лишена этих недостатков, т. к. частота задающего генератора предлагаемого устройства стабилизируется кварцевым резонатором и имеет отдельный усилитель мощности. Данное устройство работает в диапазоне УKB ЧМ с частотной модуляцией, т. е. его сигнал может быть принят на любой приемник диапазона 65-108 МГц. Дальность действия составляет около 300 м.
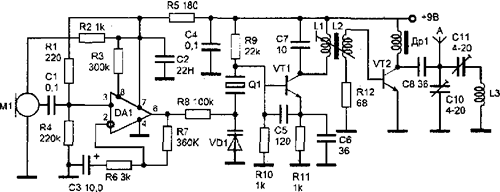
Задающий генератор выполнен на транзисторе VT1 типа КТ368. В данной схеме могут быть использованы кварцевые резонаторы на частоты 22-36 МГц. Контур, состоящий из катушки L1 и конденсатора С7 настраивается на третью гармонику кварцевого резонатора. Предпочтительнее использовать резонатор, настроенный на третью гармонику последовательного резонанса, т. к. при этом легче получить необходимую для нормальной работы приемника девиацию частоты 50 кГц. Кварцевый резонатор подключен к базе транзистора VT1 и варикапу VD1 и работает по осцилляторной схеме, составляя с емкостью С5 и контуром "емкостную трехточку", что обеспечивает высокую стабильность частоты.
Модулирующий усилитель выполнен на операционном усилителе DA1 типа КР1407УД2. На его вход поступает низкочастотный звуковой сигнал от электретного микрофона М1 со встроенным усилителем типа МКЭ-3. Операционный усилитель обеспечивает на выходе неискаженное напряжение звуковой частоты с амплитудой около 3 В, что достаточно, при использовании в качестве модулирующего элемента варикапа типа КВ104А для достижения девиации частоты около 4050 кГц. Режим работы операционного усилителя задается резисторами К1, R4, и КЗ. Микросхему DAI можно заменить на К140УД1208, КР140УД608 - в последнем случае резистор R3 можно из схемы исключить. Промодулированный по частоте сигнал с контура задающего генератора L1, С7 через катушку связи L2 поступает на вход усилителя мощности, выполненного на транзисторе VT2 типа КТ610А. Усилитель мощности работает с высоким КПД в режиме класса "С". Он усиливает сигнал до 150 мВт. Поэтому при использовании вместо висячей или штыревая антенны длиной в 1 м катушки L3 диаметром 3 см, длина 5см , содержащей 7 витков провода ПЭВ 0,8, получается эффективность не хуже стандартного варианта с проводом длиной в 1 м и мощностью около 30 мВт. Такой мощности вполне достаточно для устойчивого приема на расстоянии до 150 м. Длина намотки катушки L3 - 5 см.
В конструкции использованы резисторы МЛТ-0,125 , конденсаторы типа КТ, КД, К50-35. Дроссель Др1 намотан на резисторе МЛТ-0,25 сопротивлением более 100 кОм. Он содержит 60 витков провода ПЭВ 0,1 мм. Катушки L1 и L2 намотаны на полистироловом каркасе диаметром 5 мм с латунным подстроечником. Катушка L1 (рис. 2.16) содержит 10 витков провода ПЭВ 0,31 мм, катушка L2 - 5 витков того же провода. Конструкция катушки L3 показана на рис. 2.17.
Настройка низкочастотной части передатчика особенностей не имеет. Передатчик настраивают по общепринятой методике с использованием индикатора напряженности поля и контрольного радиоприемника. Контур С7, L1 настраивают таким образом, чтобы обеспечить устойчивость генерации задающего каскада. При подключении отрезка провода длиной около 1 м к точке А антенны, предварительно отсоединив емкости С10, С11 и L3, по измерительным приборам добиваются выходной мощности передатчика около 150 мВт. Такой мощности достаточно для того, чтобы принимать сигнал на приемник с чувствительностью 5 мкВ/м на расстоянии до 500 мв городских условиях.