Имитатор звука подскакивающего шарика

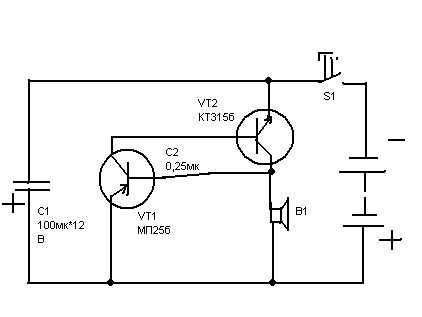
Схема имитатора

 

 

 

Если нажать на кнопку S1 конденсатор С1 зарядится до напряжения источника питания. После отпускания кнопки конденсатор станет источником, питающим мультивибратор на транзисторах VT1 и VT2. Пока напряжение на нем большое, громкость "ударов шарика", воспрозвоизводимых динамической головкой В1, значительная, а паузы - сравнительно продолжительные. Постепенно по мере разрядки канденсатора С1 будет изменяться и характер звука - " громкость ударов" начнет снижаться, а паузы уменьшаться."

 

 

 

 

 

 

 

 

 

Обсудить эту статью на форуме (0 ответов).
Вся информация, предоставленная на данном ресурсе разрешена к ознакомлению детям школьного возраста. Все практическое использование может быть связана с повышенной электрической опасностью и разрешено детям только под присмотром взрослых.