О бедной пищалке замолвите слово

    Традиционно раздел полос СЧ и ВЧ (или мидбас-ВЧ) производят пассивными кроссоверами (разделительными фильтрами). Это особенно удобно при использовании готовых компонентных наборов. Однако, хотя характеристики кроссоверов и оптимизированы для данного комплекта, они не всегда удовлетворяют поставленной задаче.
    Рост индуктивности звуковой катушки с частотой приводит к увеличению импеданса головки. Причем индуктивность эта у "среднестатистического" мидбаса составляет 0,3-0,5 мГн, и уже на частотах 2-3 кГц импеданс возрастает практически в два раза. Поэтому при расчете пассивных кроссоверов применяют два подхода: используют в расчетах реальное значение импеданса на частоте раздела или вводят цепи стабилизации импеданса (компенсаторы Цобеля). Об этом уже написано немало, поэтом не будем повторяться.
    У пищалок стабилизирующие цепи обычно отсутствуют. При этом исходят из того, что рабочая полоса частот невелика (две-три октавы), а индуктивность незначительна (обычно менее 0,1 мГн). Вследствие этого рост импеданса невелик. В крайнем случае, увеличение импеданса компенсируют резистором сопротивлением 5-10 Ом, включенным параллельно пищалке.
    Однако все не так просто, как кажется на первый взгляд, и даже такая скромная индуктивность приводит к любопытным последствиям. Проблема заключена в том, что пищалки работают совместно с фильтром ВЧ. Независимо от порядка в нем имеется емкость, включенная последовательно с пищалкой, и она образует с индуктивностью звуковой катушки колебательный контур. Частота резонанса контура оказывается в полосе рабочих частот пищалки, и на АЧХ возникает "горб", величина которого зависит от добротности этого контура. В результате неизбежна окраска звучания. В последнее время появилась немало моделей пищалок высокой чувствительности (92 дБ и выше), индуктивность которых достигает 0,25 мГн. Поэтому вопрос согласования пищалки с пассивным кроссовером приобретает особую остроту.
    Для анализа использовалась среда моделирования Micro-Cap 6.0, но те же результаты можно получить и с помощью других программ (Electronic WorkBench, например). В качестве иллюстраций приведены только наиболее характерные случаи, остальные рекомендации даны в конце статьи в виде выводов. В расчетах использовалась упрощенная модель пищалки, учитывающая только ее индуктивность и активное сопротивление. Данное упрощение вполне допустимо, поскольку резонансный пик импеданса большинства современных пищалок невелик, а частота механического резонанса подвижной системы находится за пределами рабочей полосы частот. Учтем также, что АЧХ по звуковому давлению и АЧХ по электрическому напряжению - две большие разницы, как говорят в Одессе.
    Взаимодействие пищалки с кроссовером особенно хорошо заметно у фильтров первого порядка, характерных для недорогих моделей (рисунок 1):


рисунок 1


    Видно, что даже при индуктивности 0,1 мГн имеется выраженный пик в области частот 7-10 кГц, придающий звучанию характерную "хрустальную" окраску. Увеличение индуктивности смещает резонансный пик в область более низких частот и увеличивает его добротность, что приводит к заметному "цыканью". Побочное следствие увеличение добротности, которое можно обратить на пользу - увеличение крутизны АЧХ. В области частоты раздела она близка к фильтрам 2 порядка, хотя на большом удалении возвращается к исходному для 1 порядка значению (6 дБ/октава).
    Введение шунтирующего резистора позволяет "приручить" горб на АЧХ, так что на кроссовер можно возложить и некоторые функции эквалайзера. Если шунт сделать на основе переменного резистора (или набора резисторов с переключателем), то можно проводить даже оперативную регулировку АЧХ в пределах 6-10 дБ. (рисунок 2):


рисунок 2


    Однако фильтры первого порядка обеспечивают слишком малое затухание за пределами рабочей полосы, поэтому пригодны только при небольшой подводимой мощности или достаточно высокой частоте раздела (7-10 кГц). Поэтому в большинстве серьезных конструкций используют фильтры более высоких порядков, от второго до четвертого.
    Рассмотрим возможности воздействия на АЧХ для фильтров второго порядка, как самых распространенных. Для наглядности использована модель с большой индуктивностью. Те же результаты получаются и с традиционными пищалками, только параметры фильтров и степень воздействия на АЧХ будут другими. Для пищалок с малой индуктивностью шунт не обязателен.
    Первый способ - изменение добротности фильтра при неизменной частоте раздела за счет соотношения емкости и индуктивности фильтра (рисунок 3):


рисунок 3


    Одновременное изменение емкости и индуктивности в кроссовере затруднено, поэтому данный метод для оперативной регулировки неудобен. Однако он незаменим в тех случаях, когда необходимая степень коррекции известна заранее, на этапе проектирования.
    Второй способ - регулировка добротности при помощи шунта (аналогично рассмотренному ранее способу для фильтра первого порядка). Исходная добротность разделительного фильтра при этом выбирается высокой (рисунок 4):


рисунок 4


    Третий способ - введение резистора последовательно с пищалкой. Особенно удобен этот способ для пищалок индуктивностью свыше 100 мГн. В этом случае суммарный импеданс цепи "резистор-пищалка" в процессе регулирования изменяется незначительно, поэтому уровень сигнала практически не изменяется (рисунок 5):


рисунок 5

Выводы

  • Стабилизирующие цепи не обязательны только для пищалок малой индуктивности (менее 0,05 мГн).
  • Для пищалок с индуктивностью звуковой катушки 0,05-0,1 мГн наиболее выгодны параллельные стабилизирующие цепи (шунты).
  • Для пищалок с индуктивностью звуковой катушки более 0,1 мГн можно использовать как параллельные, так и последовательные стабилизирующие цепи.
  • Изменение сопротивления стабилизирующей цепи позволяет воздействовать на АЧХ.
  • Для фильтров 1 порядка изменение параметров стабилизирующей цепи оказывает заметное влияние на частоту среза и параметры "горба". У фильтров 2 порядка частота среза определяется параметрами его элементов и зависит от индуктивности головки и параметров стабилизирующей цепи в меньшей степени.
  • Величина резонансного "горба", вызванного индуктивностью пищалки, находится в прямой зависимости от сопротивления шунта и в обратной зависимости от сопротивления последовательного резистора.
  • Величина резонансного "горба" в области частоты среза находится в прямой зависимости от добротности фильтра.
  • Добротность фильтра пропорциональна результирующему сопротивлению нагрузки (ВЧ головки с учетом сопротивления стабилизирующей цепи).
  • Фильтр повышенной добротности можно рассчитывать по стандартной методике, но на сниженное в 2-3 раза относительно номинального сопротивление нагрузки.


    Предложенные способы регулирования АЧХ применимы и к фильтрам более высоких порядков, но, поскольку число "степеней свободы" там возрастает, дать конкретные рекомендации в этом случае затруднительно. Пример изменения АЧХ фильтра третьего порядка за счет шунтирующего резистора приведен на рисунке 6:


рисунок 6


    Видно, что АЧХ приобретает различный вид, что заметно влияет на тембр звучания. Кстати, лет 20 назад многие "домашние" трех-четырех полосные АС имели переключаемые АЧХ "normal/crystal/chirp" ("гладкий-хрустальный-чирикающий"). Это достигалось изменением уровня полос СЧ и ВЧ.
    Переключаемые аттенюаторы используются в составе многих кроссоверов, причем по отношению к пищалке их можно рассматривать как комбинацию последовательных и параллельных стабилизирующих цепей. Воздействие их на результирующую АЧХ предсказать достаточно сложно, в этом случае удобнее прибегнуть к моделированию.


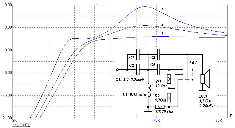
рисунок 7


    На рисунке 7 приведена схема и АЧХ фильтра третьего порядка, разработанного автором для пищалок Prology RX-20s и EX-20s. В конструкции использованы конденсаторы К73-17 (2,2 мкФ, 63 В) и самодельные катушки индуктивности. Для снижения активного сопротивления они намотаны на ферритовых кольцах. Тип сердечника неизвестен: наружный диаметр 15 мм, магнитная проницаемость порядка 1000-2000. Поэтому подгонка индуктивности велась по прибору Ф-4320. Каждая катушка содержит 13 витков изолированного провода диаметром 1 мм.
    Качество звучания оказалось не в пример выше исходного, а регулирование АЧХ вполне соответствовало поставленной задаче. Однако следует отметить, что фильтр получился проблемным: входной импеданс имеет резко выраженный минимум, и возможно срабатывание защиты усилителя.

Обсудить эту статью на форуме (0 ответов).
Вся информация, предоставленная на данном ресурсе разрешена к ознакомлению детям школьного возраста. Все практическое использование может быть связана с повышенной электрической опасностью и разрешено детям только под присмотром взрослых.