Шифратор и дешифратор команд телеуправления

    

В. ИНОЗЕМЦЕВ, г. Брянск


Достоинства цифровых систем шифрации и дешифрации команд в аппаратуре дистанционного управления моделями уже были отмечены в литературе. Ниже описан еще один вариант комплекса шифратор-дешифратор на 15 дискретных команд, предназначенный для той же цели.

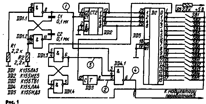
Схема шифратора изображена на рис. 1, а дешифратора — на рис. 2. Форма сигнала в некоторых характерных точках устройства показана на рис. 3.

На выходе шифратора команд действуют пачки импульсов отрицательной полярности (график 4 на рис. 3).

Частота повторения пачек импульсов равна f/32, где f — частота задающего генератора, выполненного на логических элементах DD1.1.DD1.2 (рис. I) по схеме симметричного мультивибратора.

С задающего генератора импульсы (график 1) поступают на счетчик DD2 и на элемент совпадения .DD4.1. Импульсы частотой f через этот элемент будут проходить тогда, когда триггеры DD3 и DD1.3.DD1.4 находятся в единичном состоянии (графики 2 и 3). Счетный триггер DD3 переключается после каждого 16-го импульса, поступающего на счетчик DD2. Свободные входы триггера DD3 объединены и подключены через резистор сопротивлением 1 кОм к плюсовому выводу источника питания. RS-триггер DD1.3.DD1.4 устанавливается в единичное состояние по нулевому уровню сигнала на выходе 0 (вывод 1) дешифратора DD5 и в нулевое состояние — по нулевому уровню сигнала на том из выходов дешифратора, который подключен к выводу 2 элемента DD1.4 через контакты одной из кнопок SB I—SB 15.

Число импульсов в пачке равно номеру нажатой кнопки. Если не нажата ни одна из кнопок, то шифратор вырабатывает пачки по 16 импульсов, так как RS-триггер DD1.3.DD1.4 не переводится в нулевое состояние.

Дешифратор команд собран на четы-рех микросхемах (рис. 2). Узел, собранный на элементах DD1.2.DD1.3. представляет собой селектор импульсов. За время между двумя импульсами отрицательной полярности частотой f конденсатор С1 не успевает зарядиться до напряжения, достаточного для того, чтобы перевести элемент DD1.2 в нулевое состояние, и на выходе элемента DD1.3 сохраняется уровень-сигнала, соответствующий логическому 0. В течение же промежутка времени между пачками импульсов конденсатор С1 заряжается до единичного напряжения на выводе 2 элемента DD1.2 (график 5) и на выходе элемента DD1.3 появляется сигнал 1 (график 6). Диод VDI обеспечивает быструю разрядку конденсатора С1.

По спаду импульсов с выхода элемента DD1.3 счетчик DD2 устанавливается в нулевое состояние, а из их фронтов дифференцирующая цепь C3.R4 формирует импульсы записи информации со счетчика DD2 в запоминающий узел на триггере DD3. При одном импульсе в пачке счетчик DD2 остается в нулевом состоянии, при двух он переходит в состояние 1, при трех — в состояние 2 и т. д.

К выходам дешифратора DD4 через промежуточное звено — электронное реле — подключают исполнительные устройства. Схема электронного реле изображена на рис. 4. Первое электронное реле подключают к выходу О (вывод 1) дешифратора DD4, второе — к выходу 1 и т. д. Шестнадцатое реле, подключенное к выводу 17, включено тогда, когда в шифраторе не нажата ни одна из кнопок. При таком построении приемника может быть включенным одновременно только одно исполнительное устройство. Оно включается на время нажатия кнопки в шифраторе команд в передатчике.

Для независимого включения и выключения исполнительных устройств независимо между дешифратором и каждым электронным реле надо включить RS-трнггер по схеме рис. 5. Входы триггеров присоединяют к двум соседним выходам дешифратора; например, входы S и R первого триггера подключают к выходам 0 и 1 дешифратора соответственно, второго — к выходам 2 и 3, третьего — к выходам 4 и 5 и т. д. Число исполнительных устройств при этом уменьшается вдвое. Конденсатор С1 необходим для установки RS-триггера в единичное состояние при включении питания.

Когда на выходе RS-триггера сигнал высокого уровня, то реле К1 обесточено. Если на некоторое время на вход R подать сигнал 0, триггер установится в нулевое состояние и реле К1 включится. Реле выключится тогда, когда нулевой уровень сигнала будет подан на некоторое время на вход S. Таким образом, команда по одному из каналов включает реле, а по соседнему — выключает. При необходимости часть электронных реле может быть включена по схеме рис. 4, а остальные — с RS-триггером. Реле К1 — РЭС15, паспорт РС4.591.003.

При проверке работоспособности устройства выход шифратора команд соединяют со входом дешифратора. Частота задающего генератора может быть выбрана другой, нужно только подобрать конденсатор С1 в дешифраторе команд (при большей частоте емкость конденсатора должна быть меньше). К стабильности частоты задающего генератора высоких требований не предъявляется.

Обсудить эту статью на форуме (0 ответов).
Вся информация, предоставленная на данном ресурсе разрешена к ознакомлению детям школьного возраста. Все практическое использование может быть связана с повышенной электрической опасностью и разрешено детям только под присмотром взрослых.