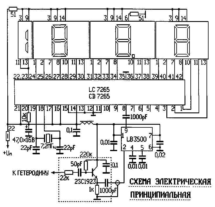
Цифровая шкала предназначена для использования совмест-но с FM-приёмниками супергетеродинного типа на ИМС СХА1191, СХА1238, ТА2003, ТА8127, ТА8164, ТА8167, ТЕА5711 и др. (кроме К174ХА34, А7021, TDA7021, TDA7088,KA22429). Устройство состоит из СВЧ усилителя (эмиттерного повторителя), цифрового и индикаторного блоков. Цифровой и индикаторный блоки соединены гибкими проводами, что позволяет удобно размещать шкалу в любом месте конструкции.
Подключение
Усилитель цифровой шкалы припаивается штырьком к плате тюнера непосредственно в точке соединения контура i етеродина с микросхемой тюнера: СХА1191-(вывод 7), СХА1238-(вывод 22), ТА8127-(вывод 21), ТА8164-(вывод 13), ТА8167-(вывод 21), ТЕА5711-(вывод 23). При этом, за счёт внесения дополнительной емкости усилителя, возможно небольшое смещение FM-диапазона. Для возврата к исходному состоянию необходимо (ориентируясь по показаниям шкалы ) немного растянуть витки гетеродинной катушки. Примечание: при питании устройства напряжением менее 10 В (для повышения яркости свечения индикаторов) можно замкнуть накоротко балластный резистор 22 Ом (см. схему)