Простой высококачественный стереоприемник FM диапазона 70-110 мГц

Предлагаю вниманию схему высококачественного стереоприемника FM диапазона 70-110 мГц доступную для повторения даже тем, кто имеет небольшой опыт конструирования. Все устройство собственно состоит из двух частей, каждую из которых можно использовать раздельно. Приемник, например, можно смонтировать на месте свободного 3.5 дюймового отсека в компьютере а выход завести на звуковую карту. В общем с этого все и началось. Затем захотелось сделать и УНЧ, после того как на глаза попалась микросхема, заменяющая сдвоенный резистор уровня громкости на модную кнопочную настройку.

Сам приемник собран на микросхеме CXA1238M фирмы SONY. Это высококачественный однокристальный низковольтный стереоприемник предназначенный для приема АМ/ЧМ сигналов радио-вещательных станций. Приемник содержит: усилители высокой частоты и смесители диапазонов АМ и ЧМ, АМ и ЧМ усилители промежуточной частоты, демодуляторы АМ и ЧМ, выходной декодер стереосигнала для системы кодирования с пилот-тоном. Нас интересует только FM часть микросхемы.
Особенности микросхемы:
Высокая чувствительность, мкв - 3-5
Разделение между каналами, дБ - 30
Выходное напряжение, мВ - 100
Низкое напряжение питания, в - 3-6
Низкий ток потребления, мА - 12.5
Светодиодная индикация настройки на станцию
Светодиодная индикация режима СТЕРЕО
Отключаемая бесшумная настройка
Небольшое количество внешних компонентов

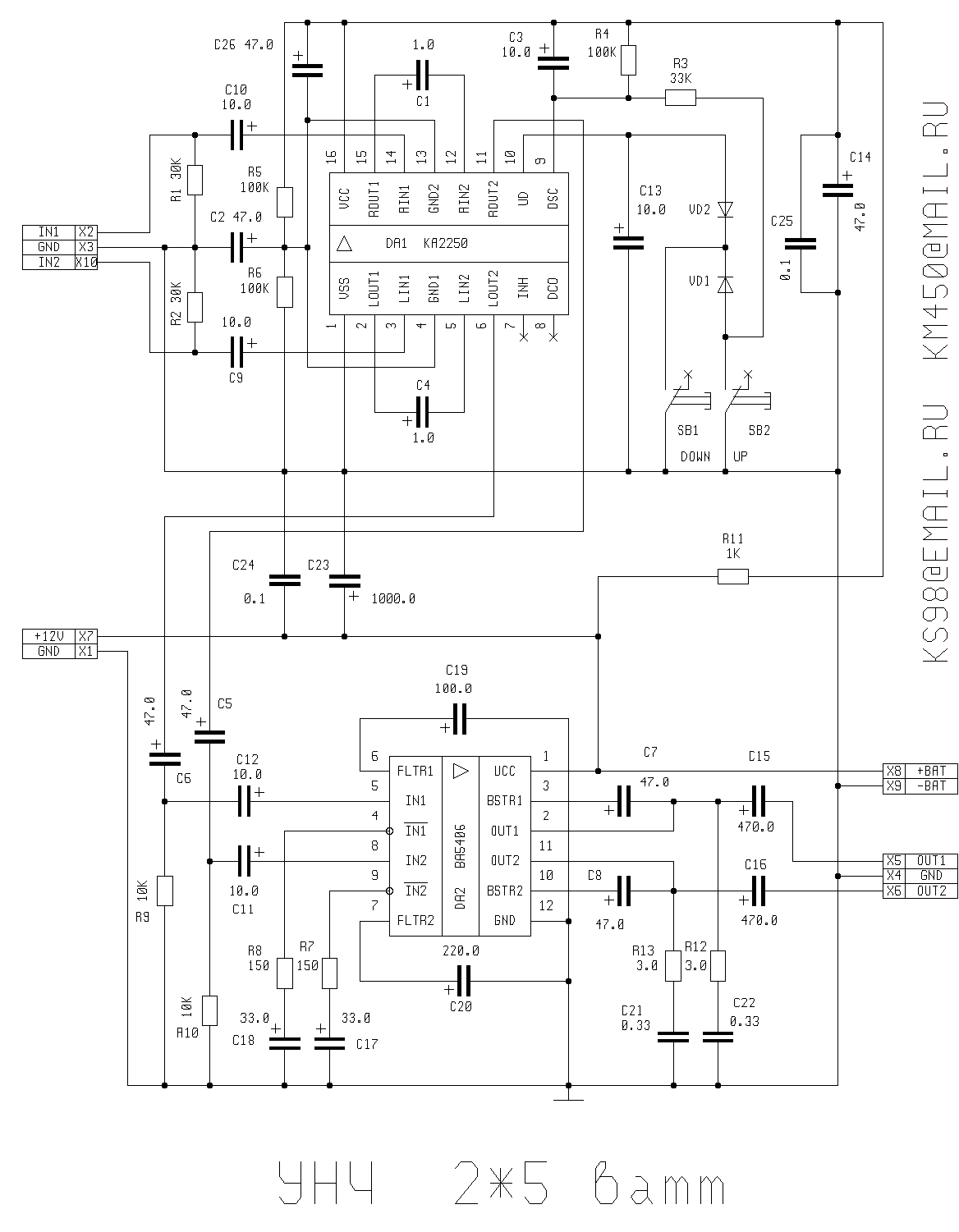
УНЧ собран на микросхемах DA1 - КА2250 и DA2 - ВА5406.
Первая представляет собой электронный регулятор громкости, вторая - стереофонический УНЧ с малым напряжением питания и выходной мощностью до 5 ватт в канале при нагрузке до 3 ом и малыми искажениями - 0.3% при выходной мощности 0.5 вт.

Стереоприемник


Рис.1 - схема приемника

Высокочастотный сигнал радиостанций, принимаемый антенной, подключенной к разъему Х2, поступает на колебательный контур L3C26VD3C23 и далее через УВЧ на транзисторе VT1 КТ368Б на вход УВЧ микросхемы (вывод 18). Усиленный сигнал выделяется на нагрузке УВЧ, перестраиваемом контуре L1C24VD2C19 и попадает на смеситель микросхемы. На смеситель также подается сигнал гетеродина, частота которого определяется контуром L2C25VD1C20.
Настройка этого контура всегда больше частоты входного сигнала на 10.7 МГц. Перестройка по диапазону осуществляется за счет изменения напряжения на варикапах VD1, VD2 и VD3 переменным резистром RP2 "TUNING". С вывода 10 на вывод 24 микросхемы через фильтр R11R12C13 подается напряжение автоподстройки частоты, порог срабатывания которой можно регулировать изменением емкости С3. С выхода смесителя (вывод 16) через полосовой фильтр ZQ1 сигнал промежуточной частоты подается на встроенный усилитель-ограничитель и демодулируется фазовым детектором микросхемы. Комплексный стереосигнал декодируется встроенным стереодекодером и на выходах 5 и 6 микросхемы DA1 уже имеем полный низкочастотный стереосигнал. Уровень сигнала на выходе микросхемы порядка 100 мВ, что достаточно практически для любого УНЧ.
Питание микросхемы осуществляется стабилизированным +5V напряжением от стабилизатора DA2 на микросхеме 7805. Можно было применнить и 78L05 (как транзистор), но я использовал для надежности первую т.к. от нее еще питаются светодиоды индикации. При монтаже я ее утопил, а крепежное отверстие спилил.

Детали тюнера подобраны самые миниатюрные. Это позволило получить малые размеры - 65*75*15 мм и минимальные наводки на приемник, что положительно для его стабильной работы.

Резисторы импортные размером в половину наших МЛТ-0,12. Можно применить их в вертикальном положении. Пьезофильтры ZQ1, ZQ2 и ZQ3 - SFE-10.7 (я использовал от какого-то дохлого китайского приемника). Варикапы типа КВ109В, но можно использовать любые подходящие по параметрам. Я использовал импортные ВВ639.
Катушки L1, L2, L3 не имеют каркаса, намотаны проводом ПЭЛ-0.5 на оправке диаметром 3 мм (я использовал стержень от шариковой ручки) и содержат соответственно 7, 6, 3+3 витков. После намотки катушки следует слегка растянуть. Для настройки по диапазону использован многооборотный резистор СП3-36. Можно использовать и любой другой, подключив к разъему Х5 (на схеме не указан, см. рисунок платы). Подстроечные конденсаторы имеют номинал примерно 5-15 пф. Дроссель L4 имеет номинал 50-100мкГн, любой малогабаритный.

Рис.2 - расположение элементов на плате



Рис.3 - рисунок печатной платы со стороны деталей



Рис.4 - рисунок печатной платы с обратной стороны

Настройка. Перед включением необходимо тщательно проверить монтаж, особенно на наличие "соплей" между дорожками. Уверяю, это избавит от многих непонятных неприятностей. Не поленитесь!
Подключите к выходу стереоприемника УНЧ - разъем Х1 и после подачи питания на разъем Х3 можно будет услышать характерное шипение. С помощью резистора настройки, вращением ротора конденсатора С25 и растяжением-сжатием витков катушки L2 настраиваем тюнер на прием какой-либо станции. Желательно сразу подогнать этими же элементами перекрытие нужного участка диапазона. Это просто сделать, используя для контроля какой нибудь радиоприемник. Если перекрытие слишком велико, то можно к правому выводу резистора RP2 в разрыв провода подключить резистор и подбирая его и R13 установить границы диапазона. Далее к контрольной точке Х4 подключаем вольтметр, и подстройкой конденсаторов С24,С20 и катушек L1,L3 добиваемся максимальных показаний. с несколько меньшей точностью можно настроить контура без вольтметра по максимальной громкости принимаемых станций.
Прием возможен при настройке гетеродина как выше, так и ниже частоты сигнала. Частота гетеродина обязательно должна быть выше частоты сигнала на 10.7 МГц. Это можно определить по реакции АПЧ на принимаемую станцию. Если частота гетеродина ниже принимаемой, то АПЧ будет как бы "отталкивать", если выще - "притягивать". Для этого нужно будет растягивать витки катушки L3 (уменьшать ее индуктивность), пока сигнал той же станции не появится снова.
Подстройку входного контура L3C26 и контура УВЧ L1C24 необходимо производить до тех пор, пока небольшие изменения в их настройке не будут приводить к падению напряжения в контрольной точке Х4. Далее подстроечным резистором RP1 добиваемся зажигания светодиода VD5, что свидетельствует о срабатывании стереодекодера. Вращением влево и вправо движка до моментов погасания светодиода выясняем пределы вращения оси резистора, когда светодиод светится, и ставим в средее положение этого участка.

Светодиод VD4 служит для индикации наличия питания, VD5 для индикации режима "стерео", а VD6 - индикации точной настройки на принимаемую радиостанцию.

Примененная в конструкции микросхема CXA1238M фирмы SONY имеет очень малые размеры и предназначена для поверхностного монтажа. Как неожиданно оказалось изготовить под нее печатную плату даже проще, чем под обычный тип микросхемы. Микросхема выпускается и в варианте с обычными выводами - СХА1238S.
НПО "Интеграл" выпускает аналог этой микросхемы - ILA1238NS.
В случае применения этих микросхем, да и вообще других по размерам деталей, при изготовлении платы необходимо учесть следующие рекомендации по разводке печатной платы, взятые из фирменного описания на микросхему.

Катушки индуктивности, входящие в состав входной цепи FMIN, гетеродина ЧМ тракта, нагрузочного контура по выводу FM усилителя ВЧ ЧМ, должны располагаться под прямым углом относительно друг друга для минимизации взаимной связи.
Целесообразно введение разделительной экранирующей дорожки, подключенной к выводу 21, на печатной плате между катушками, подключенными к выводам 22 (вывод гетеродина ЧМ тракта) и 20 (вывод усилителя ВЧ ЧМ). Значение и параметры настроечных элементов С24, С25, С26, L1, L2 и L3 приведены для конкретной приведенной печатной платы и, поэтому, возможно потребуется уточнение их параметров для других вариантов разводки.
Вывод 17 является общим выводом для ВЧ цепей (ВЧ усилителей, гетеродинов и смесителей) трактов АМ и ЧМ, вывод 11 - для усилителей ПЧ и демодуляторов трактов АМ и ЧМ, вывод 30 - для цепей стереодекодера. Конденсаторы С15 и С21, связывающие выводы 21 и 17, должны располагаться как можно ближе к выводу 17 микросхемы. Дорожка печатной платы, связывающая фильтр ZQ1 и вывод 13 (FMIFIN), должна быть минимальной длины.

Усилитель низкой частоты

Поскольку конструкция состоит из двух частей, то сквозная нумерация элементов отсутствует.

Рис.5 - схема УНЧ

Микросхема DA1 - КА2250 представляет собой двухканальный (стереофонический) цифроаналоговый регулятор громкости с регулировкой выходного сигнала от 0 до -66dB с шагом 2dB.
Увеличение громкости входного сигнала осуществляется нажатием кнопки "UP", а уменьшение - кнопкой "DOWN" При включении происходит инициализация микросхемы и устанавливается уровень -40dB. Микросхема имеет двухполярное питание и для перевода ее в режим однополярного используется цепочка R5, R6, C2, C26. Резисторы R1 и R2 необходимы только в случае использования УНЧ как самостоятельной конструкции.
При совместном использовании с вышеописанным приемником необходимости в них нет.
Скорость изменения громкости можно регулировать подбором емкости конденсатора C3. Увеличение (уменьшение) емкости приводит к замедлению (ускорению) изменения уровня сигнала.
С выходов микросхемы DA1 сигнал подается на двухканальный усилитель на микросхеме DA2 - BA5406. Микросхема имеет питание 12 вольт и на нагрузке до 3-х ом позволяет получить выходную мощность до 5-и ватт. Напряжения на выходах DA1 и входах DA2 имеют примерно равный потенциал (разница +/- 0.1 вольта), что привело к необходимости использовать цепочки C6R9C12 и C5R10C11, которые можно заменить, при наличии, неполярными электролитическими конденсаторами.
Диоды VD1 и VD2 любые маломощные, кнопки SB1 и SB2 какие понравятся. На макете использованы от дохлых компьютерных мышек. Для нормальной работы DA2 необходим радиатор, размер и форму которого выбирают исходя из максимальной выходной мощности и условий охлаждения. Корпус микросхемы соединен с землей и не требует изоляции от радиатора.

Представленный вариант печатной платы был разработан только как макет для проверки идеи и подбора элементов.

Для питания приемника и усилителя лучше использовать стабилизированное напряжение +12 вольт, используя для этого, например, стабилизатор на микросхеме 7812, запитав последнюю от выпрямителя на 16-18 вольт при токе до 1А. Несколько худшие показатели будут при использовании для питания только выпрямителя на 10-14 вольт. Может фонить будет поболее, не пробовал. А приемнику все равно, он имеет свой стабилизатор.
Необходимо только помнить, что по паспортным данным максимальное напряжение питания микросхемы BA5406 составляет 15 вольт! Для микросхемы КА2250 в данном варианте намного больше - 24V (+/- 12V)
Для питания также можно использовать и аккумулятор на 12 вольт.

Если монтаж выполнен правильно и детали все исправны, натсройка усилителя не требуется, разве что кроме подбора, на свой вкус, скорости изменения громкости конденсатором C3.

Рис.6 - расположение элементов на плате


Рис.7 - рисунок печатной платы со стороны деталей


Рис.8 - рисунок печатной платы с обратной стороны

Для любознательных: Вывод 8 микросхемы DA1 предназначен для контроля уровня сигнала, а 7 - вроде бы для перевода микросхемы в спящий режим. У меня почему-то не перевелась.
Может неправильно понял назначение вывода, да мне это и не надо. На плате они разведены для экспериментов.

В случае нужды можно обойтись и без микросхемы DA1, заменив ее обычным переменным сдвоенным резистром на 10-50 кОм. Но
тода это будет неинтересная банальная схема, которых и так хватает без этой.

Обсудить эту статью на форуме (0 ответов).
Вся информация, предоставленная на данном ресурсе разрешена к ознакомлению детям школьного возраста. Все практическое использование может быть связана с повышенной электрической опасностью и разрешено детям только под присмотром взрослых.