УКВ-ЧМ приемник на микросхеме КС1066ХА1

Конденсаторы                                                                              Резисторы
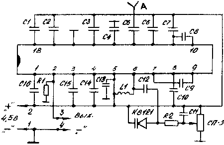
С1 - 220пф - 1шт                        С10 - 180пф -1шт.                     R1 - 22к - 1шт.
С2 - 330/360пф-1шт.                  С 11 - 0,01мкф-1шт.                 R2 - 100к - 1шт.
СЗ - 0,1-0,15мкф-1шт.               С 12 - 220пф -1шт.                  R3 -100к-СПЗ-36-1шт.
С4 - 220пф ~ 1шт.                      С 13 - 0,01мкф-1шт.                 Варикап KB 121 А-1шт.
С5 - 220пф - 1шт.                       С14 - 0,01мкф--1шт,                Э/проволока ПЭЛ-0,41-   -10см
С6 - 150пф - 1шт.                       С15 - 0,015-0,022мкф-1шт.    ИМС КС1066ХА1 -1шт.
С7 - 3300пф - 1шт,                     С 16 -0,1-0,15мкф - 1шт.
С8 - 330-З60пф- 1шт.
С9 - ЗЗООпф. - 1шт.


Приемники УКВ диапазона, имеющие частотную модуляцию и следовательно низкий уровень атмосферных и промышленным помех, обладают высоким качеством звучания.
Набор радиодеталей позволяет собрать УКВ ЧМ приемник на базе микросхемы КС1066ХА1(аналог ТДА-7000 фирмы "Филипс"). В состав микросхемы входит регулятор бесшумной настройки ,открывающий тракт звуковых частот только при наличии сигнала принимаемой станции,
Напряжение звуковой частоты на выходе приемника  ~70МВ(на нагрузке 22к при напряжении 4,5 Вольт).
Электронное устройство на базе варикапа KB 121 А позволяет перекрыть отечественный(65,8-73,0МГц)или зарубежный(88,О-108,0МГц)УКВ диапазоны.
Выход приемника хорошо согласуется с любым усилителем низкой частоты с входным сопротивлением не менее 22К  (усилители на ИМС К174УН7,К174УН14 и т.д.)
Подключение УКВ приемника через головные телефоны показано на рис.1, а к усилителю на м/с К174УН14—на Рис,2.При напряжении: питания усилителя (на рис.2) выше 4,5 вольт, питание на УКВ приемник 4,5 вольт подавать через параметрический стабилизатор.
К выходу радиоприемника можно подключить стереодекодер и таким образом получить возможность принимать стереопередачи,

Основные технические характеристики.

Диапазон частот, МГц                                          65,8-73,0(88-108)
Номинальное напряжение питания,В                 4,5
Потребляемый ток, МА                                         8
Чувствительность, МКВ                                        6
Коэффициент гармоник на частоте 1 КГц           0,7
Отношение шум/сигнал, ДБ                                  50
Полоса захвата АПЧ, КГц                                      +_300
Полоса воспроизводимых частот, КГц                10
Выходное напряжение ЗЧ,МВ(на нагрузке 22к)  70
Настройка приемника заключается в установке границ диапазона (65,8-73МГц путем сближения или растягивания витков катушки L1 (содержит 6-8 витков провода ПЭЛ 0,41мм,намотанных на оправке диаметром 3,5мм.с шагом 1мм  или 3-4 витка для диапазона 88,0-108,0МГц).
Антенной может служить телескопический штырь или небольшой отрезок монтажного провода длиной не менее 0,5м.

Обсудить эту статью на форуме (0 ответов).
Вся информация, предоставленная на данном ресурсе разрешена к ознакомлению детям школьного возраста. Все практическое использование может быть связана с повышенной электрической опасностью и разрешено детям только под присмотром взрослых.