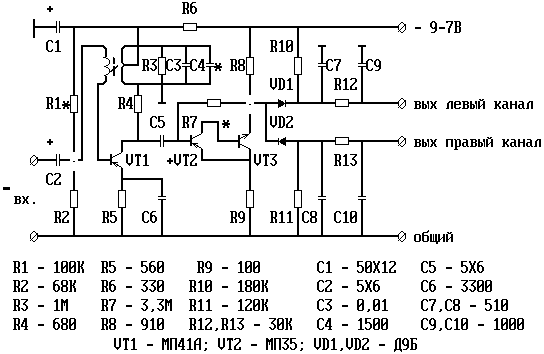
Стереодекодер-приставка

 

 

 

 

Обмотки катушек наматываются на общий унифицированый каркас с ферритовым подстроечным сердечником М600НН-СС 2,8X10 (используется в контурах СВ и ДВ промышленных приемников).
В катушке L1 - 80-90, в катушке L2 - 160X3 витков ПЭТВ 0,14 мм (отвод в катушке L2 от 120-го витка).

 

Обсудить эту статью на форуме (0 ответов).
Вся информация, предоставленная на данном ресурсе разрешена к ознакомлению детям школьного возраста. Все практическое использование может быть связана с повышенной электрической опасностью и разрешено детям только под присмотром взрослых.