
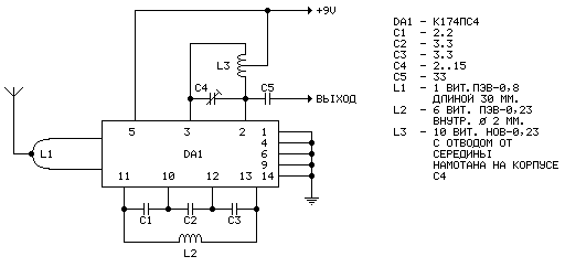
Конвеpтеp 65.8...75 МГц >88-108 МГц
Doc
Просмотров: 5596

Вся информация, предоставленная на данном ресурсе разрешена к ознакомлению детям школьного возраста. Все практическое использование может быть связана с повышенной электрической опасностью и разрешено детям только под присмотром взрослых.