Файлы к схемам
Файлы к схемам... (прошивки, драйвера, печатный монтаж, схемы)
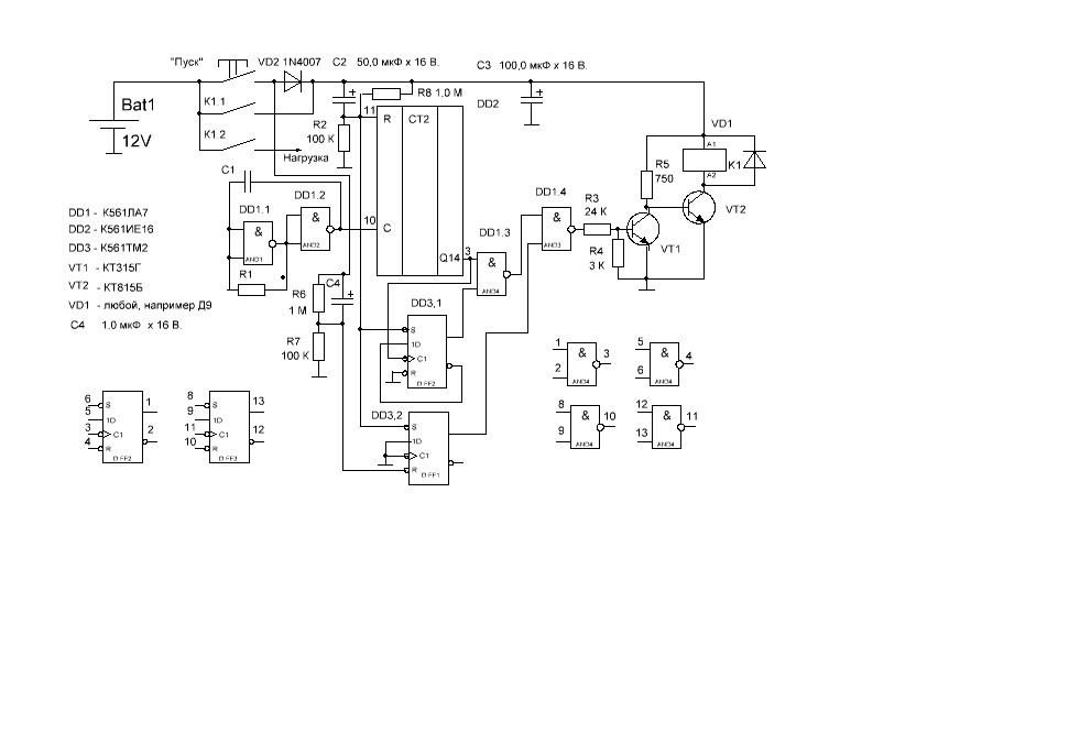
зарядное устройство
Часы на PIC
реле5
Quartus II
Автомобильные часы-термометр-вольтметр
Uniprog
Цифровая шкала - частотомер
DDS генератор на AVR
Два микроконтроллерных регулятора мощности
Измеритель индуктивности и емкости
Электронные часы с будильником На PIC16C54
Автоматическая зарядка 1.25v аккамуляторов на AT90S1200
Дистанционный регулятор света - диммер прошивка
Многофункциональные часы-термостат с дистанционным управлением
Регулятор освещения с дистанционным управлением (прошивка и исходный код)
Таймер на PIC
Реле времени на Pic
Ассемблер MPASM
Программатор PIX
compic
Powered by Phoca Download