- Сообщений: 1116
- Спасибо получено: 46
Магазин радиодеталей
- Николай Петрович
-
Автор темы
- Не в сети
Less
Больше
15 янв 2016 09:45 #1
от Николай Петрович
Николай Петрович создал тему: Магазин радиодеталей
Как узнать геометрические размеры подстроечных резисторов? Не трудно же было сфоткать их рядом со спичкой или лучше линейкой.
Пожалуйста Войти или Регистрация, чтобы присоединиться к беседе.
- Doc
-
- Не в сети
15 янв 2016 12:22 #2
от Doc
Малое знание опасно, впрочем, как и большое....
Doc ответил в теме Магазин радиодеталей
Малое знание опасно, впрочем, как и большое....
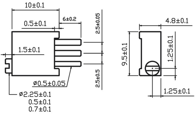
Вложения:
Спасибо сказали: Николай Петрович
Пожалуйста Войти или Регистрация, чтобы присоединиться к беседе.
- Николай Петрович
-
Автор темы
- Не в сети
Less
Больше
- Сообщений: 1116
- Спасибо получено: 46
15 янв 2016 19:18 #3
от Николай Петрович
Николай Петрович ответил в теме Магазин радиодеталей
А Вы представьте такую ситуацию. Например. Я знаю какой мне нужен транзистор (его электрические параметры) и пытаюсь его найти в магазине. Маркировка тр-ра 2N2907 мне не о чём не говорит и без даташита мне не узнать что это за транзистор. Но тр-ров, в магазине, несколько десятков, если не сотни и мне нужно на все их искать справочные данные, пока не наткнусь на тот который нужен. Я уже рад и этому, потому что к этому времени уже порядком устану, а быть может там есть тр-р который ещё более подходит мне по параметрам. С транзисторами пример не удачный (у Вас там даташиты, вроде, есть) Но было бы не плохо если бы основные параметры были рядом с фото. Это про подстроечники и прочее.
Пожалуйста Войти или Регистрация, чтобы присоединиться к беседе.
- Doc
-
- Не в сети
15 янв 2016 19:30 #4
от Doc
Малое знание опасно, впрочем, как и большое....
Doc ответил в теме Магазин радиодеталей
для этого есть справочники, а магазин - это магазин который продет детали по маркировкам, и ни один магазин не возьмет на себя ответственность за замену или подбор по параметрам.
Малое знание опасно, впрочем, как и большое....
Пожалуйста Войти или Регистрация, чтобы присоединиться к беседе.
- Rrenovatio
-
- Не в сети
Less
Больше
- Сообщений: 2505
- Спасибо получено: 78
15 янв 2016 19:37 #5
от Rrenovatio
Rrenovatio ответил в теме Магазин радиодеталей
Для этого есть справочники, - полностью согласен!
:silly:
а лень искать - это уже другое!
:silly:
а лень искать - это уже другое!
Пожалуйста Войти или Регистрация, чтобы присоединиться к беседе.
Модераторы: Doc