- Сообщений: 1245
- Спасибо получено: 31
нужна схема магнитолы mystery MCD-787 MPU
- Вячеслав
-
- Не в сети
Less
Больше
02 янв 2010 10:28 #6
от Вячеслав
Вячеслав ответил в теме нужна схема магнитолы mystery MCD-787 MPU
2*30Вт
Пожалуйста Войти или Регистрация, чтобы присоединиться к беседе.
- zver
-
Автор темы
Less
Больше
- Спасибо получено: 0
02 янв 2010 18:24 #7
от zver
zver ответил в теме нужна схема магнитолы mystery MCD-787 MPU
но магнитола 4-канальная
Пожалуйста Войти или Регистрация, чтобы присоединиться к беседе.
- Вячеслав
-
- Не в сети
Less
Больше
- Сообщений: 1245
- Спасибо получено: 31
03 янв 2010 18:19 #8
от Вячеслав
Вячеслав ответил в теме нужна схема магнитолы mystery MCD-787 MPU
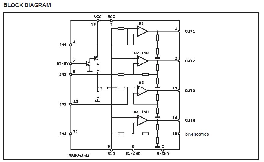
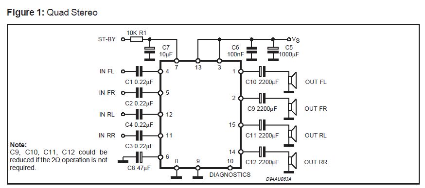
Если мостовая схема подключения динамиков, то 2*30Вт, а если обыкновенная то 4*6Вт. Смотри фото.
Пожалуйста Войти или Регистрация, чтобы присоединиться к беседе.
- zver
-
Автор темы
Less
Больше
- Спасибо получено: 0
04 янв 2010 12:52 #9
от zver
zver ответил в теме нужна схема магнитолы mystery MCD-787 MPU
А как узнать мостовая или нет? И как можно на мостовую переключить?
Пожалуйста Войти или Регистрация, чтобы присоединиться к беседе.
- Lin_77
-
Less
Больше
- Спасибо получено: 0
29 март 2010 16:17 #10
от Lin_77
Lin_77 ответил в теме нужна схема магнитолы mystery MCD-787 MPU
Ребята, а можно ее заменпть на какую нить другую?... У меня в магнитоле она сгорела,случайно замкнул канал.
Пожалуйста Войти или Регистрация, чтобы присоединиться к беседе.
Модераторы: Doc