- Спасибо получено: 0
Как определить с какого это магнитафона ???
- tomas111
-
Автор темы
Less
Больше
01 фев 2007 15:34 #11
от tomas111
tomas111 ответил в теме Как определить с какого это магнитафона ???
Можно попробывать по названию экрана найти - ИЛТ1-8М ....
Пожалуйста Войти или Регистрация, чтобы присоединиться к беседе.
- MKsoft
-
Less
Больше
- Спасибо получено: 0
02 фев 2007 18:44 #12
от MKsoft
MKsoft ответил в теме Как определить с какого это магнитафона ???
Да я уже пробовал и по индикатору искать и по к161пп1
Пожалуйста Войти или Регистрация, чтобы присоединиться к беседе.
- K01I
-
Less
Больше
- Спасибо получено: 0
02 фев 2007 19:28 - 02 фев 2007 20:09 #13
от K01I
K01I ответил в теме Как определить с какого это магнитафона ???
какаято она у тя редкая... нечо не нащел кроме этого
www.quartz1.ru/Si/Si_Ind/si_ind_v-l
. h tm - но и это не чо не говорит...
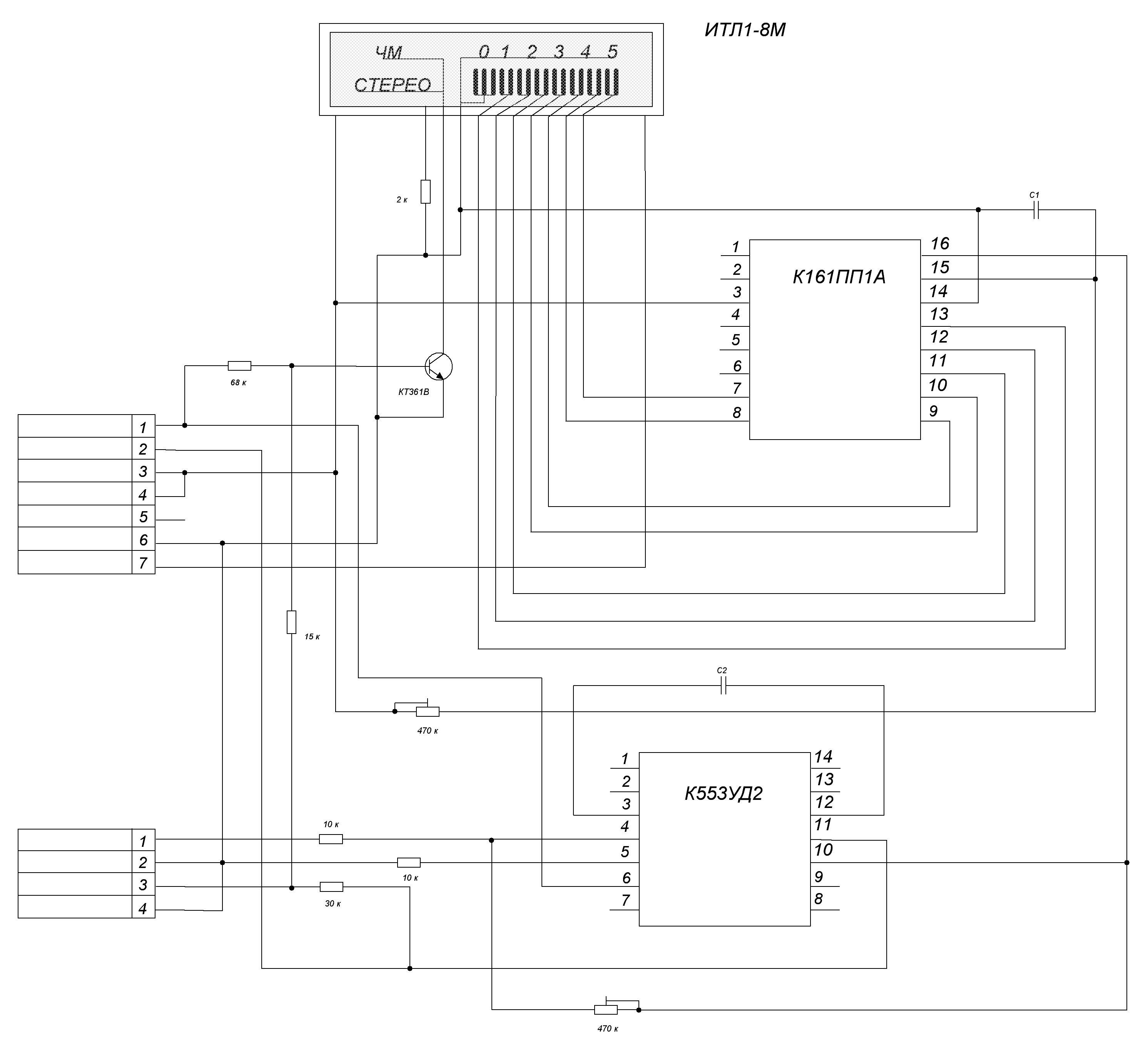
если не трудно составь принцимпиалку, а то на фото плохо видно дорожки... (желательно бе3 ошибок
)
а для начала сообщи номиналы на все R и C и vt
к161пп1а - даташник чот немогу найти пока
если не трудно составь принцимпиалку, а то на фото плохо видно дорожки... (желательно бе3 ошибок
а для начала сообщи номиналы на все R и C и vt
к161пп1а - даташник чот немогу найти пока
Последнее редактирование: 02 фев 2007 20:09 пользователем K01I.
Пожалуйста Войти или Регистрация, чтобы присоединиться к беседе.
- MKsoft
-
Less
Больше
- Спасибо получено: 0
02 фев 2007 19:44 #14
от MKsoft
MKsoft ответил в теме Как определить с какого это магнитафона ???
ок сегодня сделаю
Пожалуйста Войти или Регистрация, чтобы присоединиться к беседе.
- MKsoft
-
Less
Больше
- Спасибо получено: 0
02 фев 2007 21:01 #15
от MKsoft
MKsoft ответил в теме Как определить с какого это магнитафона ???
Ну вот вроде без ошибок
Вложения:
Пожалуйста Войти или Регистрация, чтобы присоединиться к беседе.
Модераторы: Doc