унч AN7112E

Больше
19 март 2013 21:06 - 19 март 2013 21:28 #1 от игорь
игорь создал тему: унч AN7112E
дорогие формучане




хочу собрать унч на схеме AN7112E
но не могу правильно прочитать схему какие использовать кондеры.
и резисторы номиналов помогите ссылка aai-unch.blogspot.com/2008/07/an7112e.html cпасибо
Вложения:
Последнее редактирование: 19 март 2013 21:28 пользователем Doc.

Пожалуйста Войти или Регистрация, чтобы присоединиться к беседе.

Больше
19 март 2013 21:26 - 19 март 2013 21:27 #2 от Doc
Doc ответил в теме унч AN7112E
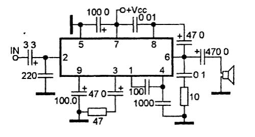
C 1 = 3.3 Мкф
C 2 = 100.0 Мкф
C 3 = 47.0 Мкф
C 4 = 47.0 МкФ
C 6 = 470.0МкФ
C 7 = 100.0МкФ
C 8 = 220 ПФ
C 9 = 0.01 МкФ
C10 = 100 ПФ
C11 = 1000 ПФ
C12 = 0.1 МкФ

R 1 = 47 Ом
R 2 = 10 Ом

BA1 = 8 Om



Малое знание опасно, впрочем, как и большое....
Вложения:
Последнее редактирование: 19 март 2013 21:27 пользователем Doc.
Спасибо сказали: игорь

Пожалуйста Войти или Регистрация, чтобы присоединиться к беседе.

Больше
19 март 2013 22:08 #3 от игорь
игорь ответил в теме унч AN7112E
спасибо большое а мультиметром можно узнать номинал конденсатора

Пожалуйста Войти или Регистрация, чтобы присоединиться к беседе.

Больше
20 март 2013 17:35 #4 от Doc
Doc ответил в теме унч AN7112E
нет если мультиметор не поддерживает измерение емкостей - обычные этого делать не могут - только навороченные
а зачем? на всех конденсаторах пишут номиналы ...

Малое знание опасно, впрочем, как и большое....
Спасибо сказали: игорь

Пожалуйста Войти или Регистрация, чтобы присоединиться к беседе.

Больше
20 март 2013 18:00 - 20 март 2013 18:35 #5 от игорь
игорь ответил в теме унч AN7112E
ну например 100 пф это керамический с номером 101

и еще на схеме к 7 ножке микросхемы она пересекается и динамик с конд. к 6 ножке

и еще можно ли поставить конденсатор 2a104j вместо 104
Последнее редактирование: 20 март 2013 18:35 пользователем игорь.

Пожалуйста Войти или Регистрация, чтобы присоединиться к беседе.

Модераторы: Doc
Вся информация, предоставленная на данном ресурсе разрешена к ознакомлению детям школьного возраста. Все практическое использование может быть связана с повышенной электрической опасностью и разрешено детям только под присмотром взрослых.