музыкальный центр LG LM-M245X
- Doc
-
- Не в сети
Less
Больше
30 янв 2017 08:59 #6
от Doc
Малое знание опасно, впрочем, как и большое....
Doc ответил в теме музыкальный центр LG LM-M245X
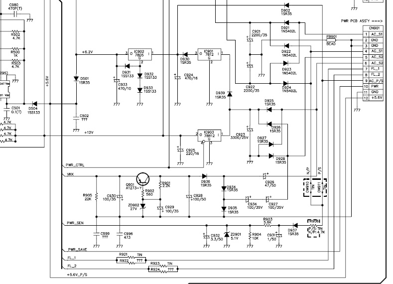
не совсем рядом с кондерами есть кренка 8712 , она тоже откуда то питается - надо проверить откуда, а то при разрыве может перекос случиться и что нибудь погореть может
Малое знание опасно, впрочем, как и большое....
Пожалуйста Войти или Регистрация, чтобы присоединиться к беседе.
- Kadio
-
Автор темы
- Не в сети
Less
Больше
- Сообщений: 107
- Спасибо получено: 1
30 янв 2017 17:02 #7
от Kadio
Вложения:
Пожалуйста Войти или Регистрация, чтобы присоединиться к беседе.
- Doc
-
- Не в сети
30 янв 2017 20:09 #8
от Doc
Малое знание опасно, впрочем, как и большое....
Doc ответил в теме музыкальный центр LG LM-M245X
все равно - надо рвать все питание одновременно
Малое знание опасно, впрочем, как и большое....
Пожалуйста Войти или Регистрация, чтобы присоединиться к беседе.
- Kadio
-
Автор темы
- Не в сети
Less
Больше
- Сообщений: 107
- Спасибо получено: 1
31 янв 2017 10:07 #9
от Kadio
Kadio ответил в теме музыкальный центр LG LM-M245X
Может тогда сделать ставку в сторону электролитов и заменить их по-очереди ? Просто разорвать столько, как мне кажется, будет более трудозатратно и болезненно
А что скажете насчет поведения левого канала ? Может в микросхеме усилителя дело ?
Пожалуйста Войти или Регистрация, чтобы присоединиться к беседе.
- Николай Петрович
-
- Не в сети
Less
Больше
- Сообщений: 1116
- Спасибо получено: 46
31 янв 2017 16:57 - 31 янв 2017 17:16 #10
от Николай Петрович
Николай Петрович ответил в теме музыкальный центр LG LM-M245X
Kadio, сделай простейший измеритель ESR и проверь все кондёры усилка. А прибор и в дальнейшем пригодится. Можно изготовить например этот. В нете их множество. Даже я пытаюсь сделать такой прибор по новому типу измерения. Вот только пока беда - он измеряет очень точно и линейно, но только до 35 Ом. Если заставлю его измерять хотя бы до 50 Ом, сообщу на форуме.
master-tv.com/article/esr/
forum.cxem.net/index.php?/topic/42955-%D...E%D1%80%D0%BE%D0%B2/
www.texnic.ru/shems/izmertex/0001.html
А этот прибор делал. Работает удовлетворительно и почти сразу.
cxem.net/izmer/izmer32.php
master-tv.com/article/esr/
forum.cxem.net/index.php?/topic/42955-%D...E%D1%80%D0%BE%D0%B2/
www.texnic.ru/shems/izmertex/0001.html
А этот прибор делал. Работает удовлетворительно и почти сразу.
cxem.net/izmer/izmer32.php
Последнее редактирование: 31 янв 2017 17:16 пользователем Николай Петрович.
Пожалуйста Войти или Регистрация, чтобы присоединиться к беседе.
Модераторы: Doc