- Сообщений: 2
- Спасибо получено: 0
Фотодатчик для мотортестера.
- Андрей
-
Автор темы
- Не в сети
Less
Больше
10 фев 2015 21:18 #1
от Андрей
Андрей создал тему: Фотодатчик для мотортестера.
Прошу помочь со схемой фотодатчика для мотортестера.
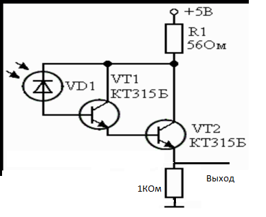
Фотодатчик состоит из светодиода и фототранзистора.Фототранзистор фиксирует изменение освещенности, аналогично изменению магнитного поля датчиком положения коленвала. Сигнал на выходе фотодатчика аналогичен сигналу ДПКВ. Uпит. 8-24в. В обычном состоянии свет от светодиода не попадает на приемник, поэтому на выходе датчика около 5 В. Если напротив датчика расположить предмет, который хорошо отражает свет, то уровень напряжения на выходе падает, практически до 0.
Фотодатчик состоит из светодиода и фототранзистора.Фототранзистор фиксирует изменение освещенности, аналогично изменению магнитного поля датчиком положения коленвала. Сигнал на выходе фотодатчика аналогичен сигналу ДПКВ. Uпит. 8-24в. В обычном состоянии свет от светодиода не попадает на приемник, поэтому на выходе датчика около 5 В. Если напротив датчика расположить предмет, который хорошо отражает свет, то уровень напряжения на выходе падает, практически до 0.
Вложения:
Пожалуйста Войти или Регистрация, чтобы присоединиться к беседе.
- Doc
-
- Не в сети
11 фев 2015 08:38 - 11 фев 2015 08:39 #2
от Doc
Малое знание опасно, впрочем, как и большое....
Doc ответил в теме Фотодатчик для мотортестера.
Малое знание опасно, впрочем, как и большое....
Вложения:
Последнее редактирование: 11 фев 2015 08:39 пользователем Doc.
Спасибо сказали: Андрей
Пожалуйста Войти или Регистрация, чтобы присоединиться к беседе.
- Андрей
-
Автор темы
- Не в сети
Less
Больше
- Сообщений: 2
- Спасибо получено: 0
12 фев 2015 19:52 #3
от Андрей
Андрей ответил в теме Фотодатчик для мотортестера.
Напяжение питания должно быть от 8в- такое бывает при стартерной прокрутке, и до 24в в дизелях.А, в качестве фотоприемника в прерывателях используют фототранзистор.
Пожалуйста Войти или Регистрация, чтобы присоединиться к беседе.
- Doc
-
- Не в сети
12 фев 2015 20:49 #4
от Doc
Малое знание опасно, впрочем, как и большое....
Doc ответил в теме Фотодатчик для мотортестера.
думаю в случаи таких колебани напряжения питания стоит его стабилизировать микросхемой КРЕН5А
в качестве фотоприемника можно использовать фоторезистор при этом базу vt1 возможно понадобиться "подтянуть" на корпус резистор 10-100ком
в качестве фотоприемника можно использовать фоторезистор при этом базу vt1 возможно понадобиться "подтянуть" на корпус резистор 10-100ком
Малое знание опасно, впрочем, как и большое....
Спасибо сказали: Андрей
Пожалуйста Войти или Регистрация, чтобы присоединиться к беседе.
Модераторы: Doc