- Спасибо получено: 0
SONY XR-M510
- NIKOLAS
-
Less
Больше
29 дек 2008 13:24 #6
от NIKOLAS
NIKOLAS ответил в теме SONY XR-M510
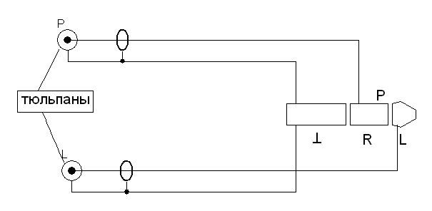
как я понял, те надо магнитолу как усил пользовать?
ежели правильно. смотри, есть ли в магнит. входы AUX либо CDIN.
берешь 2 тюльпана и миниджек паяешь это.
джек в мп3шку тюльпаны куда надо. громкость подберешь.
дешево и сердито.
ежели правильно. смотри, есть ли в магнит. входы AUX либо CDIN.
берешь 2 тюльпана и миниджек паяешь это.
джек в мп3шку тюльпаны куда надо. громкость подберешь.
дешево и сердито.
Вложения:
Пожалуйста Войти или Регистрация, чтобы присоединиться к беседе.
- vodov
-
Автор темы
Less
Больше
- Спасибо получено: 0
29 дек 2008 17:29 #7
от vodov
vodov ответил в теме SONY XR-M510
как раз то и нету! есть такой вот вход Bus Audio in, и Remote in. не пойму для чего они?может попробовать соеденить через головку но я незнаю куда припоять но у головки 7 дорожек куда подскажите?
Пожалуйста Войти или Регистрация, чтобы присоединиться к беседе.
- NIKOLAS
-
Less
Больше
- Спасибо получено: 0
29 дек 2008 18:01 #8
от NIKOLAS
NIKOLAS ответил в теме SONY XR-M510
на голову кинешь - еще хужее будет.
какие режимы есь?
какие режимы есь?
Пожалуйста Войти или Регистрация, чтобы присоединиться к беседе.
- NIKOLAS
-
Less
Больше
- Спасибо получено: 0
29 дек 2008 18:02 #9
от NIKOLAS
NIKOLAS ответил в теме SONY XR-M510
еще ежели могешь, дай залицезреть твою магнит. вид на входы, и кишки
Пожалуйста Войти или Регистрация, чтобы присоединиться к беседе.
- vodov
-
Автор темы
Less
Больше
- Спасибо получено: 0
29 дек 2008 19:28 #10
от vodov
vodov ответил в теме SONY XR-M510
искал схему на потроха не нашел
Вложения:
Пожалуйста Войти или Регистрация, чтобы присоединиться к беседе.
Модераторы: Doc