- Сообщений: 180
- Спасибо получено: 3
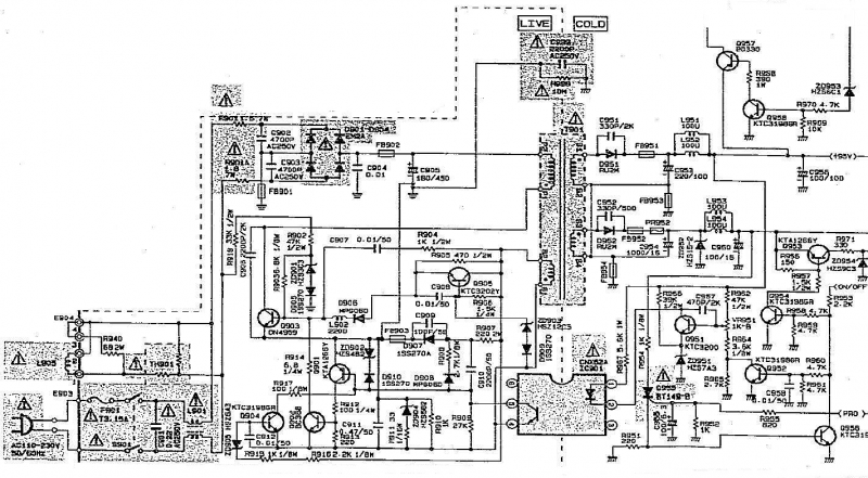
Телевизор Hitachi CMT2199
- Михаил
-
Автор темы
- Не в сети
Less
Больше
13 июнь 2012 15:33 - 27 июнь 2012 17:45 #1
от Михаил
Михаил создал тему: Телевизор Hitachi CMT2199
Вложения:
Последнее редактирование: 27 июнь 2012 17:45 пользователем Михаил .
Пожалуйста Войти или Регистрация, чтобы присоединиться к беседе.
- Михаил
-
Автор темы
- Не в сети
Less
Больше
- Сообщений: 180
- Спасибо получено: 3
20 июнь 2012 12:05 - 27 июнь 2012 17:42 #2
от Михаил
чем заменить D905 - 1SS270 ?
Михаил ответил в теме Re: Телевизор Hitachi CMT2199
Последнее редактирование: 27 июнь 2012 17:42 пользователем Михаил .
Пожалуйста Войти или Регистрация, чтобы присоединиться к беседе.
Модераторы: Doc