- Сообщений: 1116
- Спасибо получено: 46
Терморегулятор для холодильника
- Николай Петрович
-
- Не в сети
Less
Больше
11 июль 2017 12:27 - 11 июль 2017 13:53 #6
от Николай Петрович
Николай Петрович ответил в теме Терморегулятор для холодильника
Триггер может включать в себя 1 транзистор. Управление тиристором постоянным током. Преимущества - проще схема и легче запуск тиристора т.к. он будет работать на индуктивность (обмотки двигателя). Недостаток это сравнительно большой ток управления, но гасящий резистор и стабилитрон типа Д814 металостеклянный с током в 10 - 20 мА справятся. Всё же на ОУ схема проще и легче в настройке. Но, хозяин - барин.
От вилки (не знаю как расшифровать сабж) параллельно всей этой трихомудии будет выкл освещения холодильника, схема разморозки, если таковая есть.
Типа этого не хотите попробовать изготовить?
От вилки (не знаю как расшифровать сабж) параллельно всей этой трихомудии будет выкл освещения холодильника, схема разморозки, если таковая есть.
Типа этого не хотите попробовать изготовить?
Вложения:
Последнее редактирование: 11 июль 2017 13:53 пользователем Николай Петрович.
Пожалуйста Войти или Регистрация, чтобы присоединиться к беседе.
- зте
-
Автор темы
- Не в сети
Less
Больше
- Сообщений: 169
- Спасибо получено: 5
11 июль 2017 14:04 #7
от зте
зте ответил в теме Терморегулятор для холодильника
Схема заманчива, да. Но не вижу триггер Шмидта. Он не нужен из-за задержки термоинерционной системы?
Сабж = subject, здесь используется в значении "рассматриваемый прибор", "тема обсуждения". Типовое значение этого сокращения в форумах.
Сабж = subject, здесь используется в значении "рассматриваемый прибор", "тема обсуждения". Типовое значение этого сокращения в форумах.
Пожалуйста Войти или Регистрация, чтобы присоединиться к беседе.
- Николай Петрович
-
- Не в сети
Less
Больше
- Сообщений: 1116
- Спасибо получено: 46
11 июль 2017 15:54 - 11 июль 2017 23:15 #8
от Николай Петрович
Николай Петрович ответил в теме Терморегулятор для холодильника
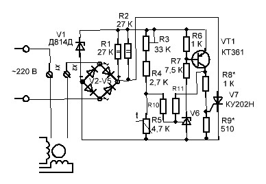
Схема будет работать так же, как и в описании по ссылке. с той лишь разницей, что при включении тиристора, напряжение со схемы снимется. Так будет с каждым полупериодом. Пока температура холодильника выше нормы. Если опустится ниже нормы, тлка открываться не будет, тиристор перестанет включать компрессор. Терморезистор типа ММТ-4.
___________________________________________________
Смотрел схему по вашей ссылке. Думаю, что в холодильнике она работать не будет т.к. там нагрузка питается одними положительными полупериодами. (Нет переменного тока, что для эл.двигателя необходимо). Может быть нагревательный элемент и будет греться, хотя вызывает сомнение питание ОУ импульсами положительных полупериодов. Никогда такого не делал и ранее таких схем не видел.
_____________________________________________________
зте, мне схема понравилась. Я тут конструирую одну хрень, так собирался делать термореле на ОУ. Теперь попробую на TL431. Не скоро буду делать (в течении 2х месяцев). Если будете её делать сообщите о результатах. Нарисовал номиналы деталей, но могу быть не прав. Рисовал "на глазок", приблизительно.
Диоды V2-V5 КД202Р. Ещё лучше какие нибудь 10 А х 400 В.
___________________________________________________
Смотрел схему по вашей ссылке. Думаю, что в холодильнике она работать не будет т.к. там нагрузка питается одними положительными полупериодами. (Нет переменного тока, что для эл.двигателя необходимо). Может быть нагревательный элемент и будет греться, хотя вызывает сомнение питание ОУ импульсами положительных полупериодов. Никогда такого не делал и ранее таких схем не видел.
_____________________________________________________
зте, мне схема понравилась. Я тут конструирую одну хрень, так собирался делать термореле на ОУ. Теперь попробую на TL431. Не скоро буду делать (в течении 2х месяцев). Если будете её делать сообщите о результатах. Нарисовал номиналы деталей, но могу быть не прав. Рисовал "на глазок", приблизительно.
Диоды V2-V5 КД202Р. Ещё лучше какие нибудь 10 А х 400 В.
Вложения:
Последнее редактирование: 11 июль 2017 23:15 пользователем Николай Петрович.
Пожалуйста Войти или Регистрация, чтобы присоединиться к беседе.
- зте
-
Автор темы
- Не в сети
Less
Больше
- Сообщений: 169
- Спасибо получено: 5
12 июль 2017 16:43 #9
от зте
зте ответил в теме Терморегулятор для холодильника
Переделка требуется простейшая - поставить диодный мост и готово!
Пожалуйста Войти или Регистрация, чтобы присоединиться к беседе.
- Николай Петрович
-
- Не в сети
Less
Больше
- Сообщений: 1116
- Спасибо получено: 46
13 июль 2017 01:16 - 13 июль 2017 02:16 #10
от Николай Петрович
Николай Петрович ответил в теме Терморегулятор для холодильника
На счёт "готово" считаю, что это не так. Я вот что подумал - будет как то не к лицу, если холодильник будет без конца включаться при повышении температуры камеры на 10е доли градуса. По этому решил ввести в схему регулятор гистерезиса. Резисторы R10, R11. Резистор R10 можно установить подстроечный, и уже в процессе работы холодильника установить требуемый гистерезис срабатывания. Ориентировочно резистор R10 - 10 кОм, резистор R11 - 1 МОм.
Вложения:
Последнее редактирование: 13 июль 2017 02:16 пользователем Николай Петрович.
Пожалуйста Войти или Регистрация, чтобы присоединиться к беседе.
Модераторы: Doc