Здравствуйте помогите плиз .Жучок на микросхеме К155ЛА3

Больше
16 янв 2009 19:22 #1 от Фанис
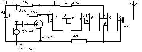
Здравствуйте помогите плиз .как подключить выводы микросхемы??????
Вложения:

Пожалуйста Войти или Регистрация, чтобы присоединиться к беседе.

  • NIKOLAS
  • NIKOLAS аватар
Больше
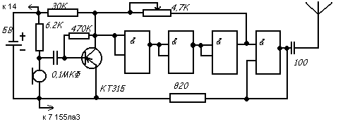
16 янв 2009 21:03 #2 от NIKOLAS
Вложения:

Пожалуйста Войти или Регистрация, чтобы присоединиться к беседе.

Модераторы: Doc
Вся информация, предоставленная на данном ресурсе разрешена к ознакомлению детям школьного возраста. Все практическое использование может быть связана с повышенной электрической опасностью и разрешено детям только под присмотром взрослых.