- Сообщений: 825
- Спасибо получено: 2
Помогите!!!! Ищу схему счетчика импульсов
- Smoker
-
- Не в сети
Да нет, как раз я к ней очень хорошо отношусь. А насчет советов, так я из страны Советов вышел, вот и даю советы! Да и скучно только о схемах говорить.Rel@x пишет: Вот ни как не пойму smoker, у тебя что, личная неприязнь к ней, я имею ввиду Свету?
Вот все советуешь ей и советуешь, оно тебе надо? Это ее дело где, с кем и как ...
Может и ты много на форумах времени проводишь?
Неплохая бы сваха получилась ... 50/100
Надеюсь не обидишься учитывая что у меня 40 и 80.
Пожалуйста Войти или Регистрация, чтобы присоединиться к беседе.
- Smoker
-
- Не в сети
- Сообщений: 825
- Спасибо получено: 2
К моему стыду до сих пор не имею толком представления как работает датчик холла, я всегда думал что он срабатывает только на движение. А на статику нет. В этом случае нужно добавить на входе конденсатор и ждущий мультивибратор и все получится.torkvil пишет: А ты учёл что вал может стоать в положении когда датчик будет подавать +5В (извини 0Вольт)? В этом случае он будет показывать максимальные обороты.
Пожалуйста Войти или Регистрация, чтобы присоединиться к беседе.
- Smoker
-
- Не в сети
- Сообщений: 825
- Спасибо получено: 2
Пожалуйста Войти или Регистрация, чтобы присоединиться к беседе.
- }|{
-
- Спасибо получено: 0
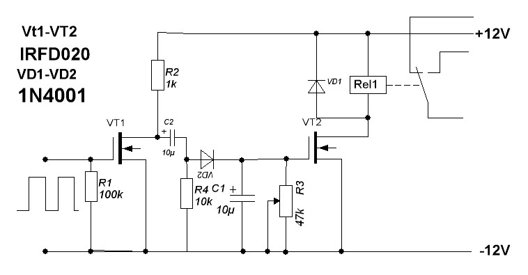
случае. Можно мереть частоту потом её сравнивать с заданной и принимать решение - включать реле или нет, а можно и просто используя схему smoker включать реле, что значительно проще. Собственно и я хотел описать аналогичную схему. Вот только с рисованием у меня проблемы. Наверняка есть и другие решения.
Пожалуйста Войти или Регистрация, чтобы присоединиться к беседе.
- Вячеслав
-
- Не в сети
- Сообщений: 1245
- Спасибо получено: 31
Пожалуйста Войти или Регистрация, чтобы присоединиться к беседе.