- Сообщений: 5
- Спасибо получено: 0
Автоматическое включение винтелятора.
- Денис
-
Автор темы
- Не в сети
Less
Больше
27 апр 2013 15:00 #1
от Денис
Денис создал тему: Автоматическое включение винтелятора.
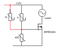
Всем доброго времени суток. Нашёл в интернете множество готовых схем автоматического включения вентилятора. Выбрал схему себе по душе. Требуется чуть чуть её преобразовать. На рисунке красным показаны те соединения которые я добавил сам. А вопрос заключается в следующем: будет ли работать схема при включении второго терморезистора параллельно первому (в схеме используются 2-а радиатора и требуется снимать температуру с двух мест)?
Вложения:
Пожалуйста Войти или Регистрация, чтобы присоединиться к беседе.
- VLADER
-
- Не в сети
Less
Больше
- Сообщений: 117
- Спасибо получено: 8
30 апр 2013 12:01 #2
от VLADER
VLADER ответил в теме Автоматическое включение винтелятора.
Будет, но неправильно. Обычно в таких случаях либо автоматически переключаются терморезисторы на определённое время на одну схему, либо нужно собирать две схемы. Выходы можно запараллелить для работы одного вентилятора.
Спасибо сказали: Денис
Пожалуйста Войти или Регистрация, чтобы присоединиться к беседе.
- ИЛЬЯ
-
- Не в сети
Less
Больше
- Сообщений: 516
- Спасибо получено: 11
03 мая 2013 10:53 #3
от ИЛЬЯ
ИЛЬЯ ответил в теме Автоматическое включение винтелятора.
используй две таких схемы к вентилятору подключи параллельно
Пожалуйста Войти или Регистрация, чтобы присоединиться к беседе.
- Павел
-
Less
Больше
- Спасибо получено: 0
05 июль 2013 17:23 #4
от Павел
Павел ответил в теме Автоматическое включение винтелятора.
Схема в принципе будет работать. При этом нижний подстроечник сдвинится в другое положение. Более плавная зависимость оборотов от частоты будет, если греться будет только один радиатор, что как мне кажется мало вероятно. Скорее они будут греться вместе.
Пожалуйста Войти или Регистрация, чтобы присоединиться к беседе.
Модераторы: Doc