- Сообщений: 1
- Спасибо получено: 0
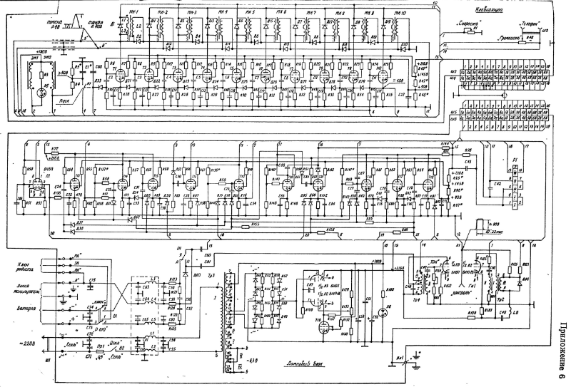
Датчик кода Морзе Р-020
- Victor
-
Автор темы
- Не в сети
Less
Больше
03 мая 2017 09:34 #1
от Victor
Victor создал тему: Датчик кода Морзе Р-020
Помогите пожалуйста найти схему датчика кода Морзе Р-020.
Пожалуйста Войти или Регистрация, чтобы присоединиться к беседе.
- Саша ДробахоTX
-
- Не в сети
27 дек 2017 14:41 #2
от Саша ДробахоTX
Радио: средство массовой информации, слушая которое еще никто не испортил зрения.
Саша ДробахоTX ответил в теме Датчик кода Морзе Р-020
Радио: средство массовой информации, слушая которое еще никто не испортил зрения.
Вложения:
Спасибо сказали: Андрей Никулин
Пожалуйста Войти или Регистрация, чтобы присоединиться к беседе.
- Андрей Никулин
-
- Не в сети
Less
Больше
- Сообщений: 1
- Спасибо получено: 0
02 фев 2024 19:20 #3
от Андрей Никулин
Андрей Никулин ответил в теме Датчик кода Морзе Р-020
Здравствуйте, у Вас есть документация к Р-020? На схеме видно что это приложение 6. Хотелось бы полную книжку.
Пожалуйста Войти или Регистрация, чтобы присоединиться к беседе.
- Александр Русин
-
- Не в сети
Less
Больше
- Сообщений: 3
- Спасибо получено: 0
04 фев 2024 06:28 - 04 фев 2024 06:32 #4
от Александр Русин
Александр Русин ответил в теме Датчик кода Морзе Р-020
только это
Последнее редактирование: 04 фев 2024 06:32 пользователем Doc.
Пожалуйста Войти или Регистрация, чтобы присоединиться к беседе.
Модераторы: Doc