как правильно измерить напр-я на двухполярном БП

Больше
27 июнь 2015 22:48 - 27 июнь 2015 23:06 #6 от serый
Вобщем расклад таков, На вход двух полярного БП я подавал напряжения от обычного БП величиной 24 В(соответственно диоды в двухполярном я исключил), ну я думаю что и так можно
величины напряжений таковы: (извеняюсь за предыдущее сообщения - на плечах немного запутался и неправильно измерил)
на VT1: на всех трех выводах по 1,4 В
на VT2: Э- напр-я отсутствует
Б 1,15 В
К-1,45 В
на VT3: (плюс мультиметра к общему)
Э-16,5 В
Б- 17 В,
К - 23 В
С такими данными на верхнем плече (по схеме ) чуть больше одного вольта, на нижнем 16,5В, Сумарное напряжение - примерно 17-18в
Последнее редактирование: 27 июнь 2015 23:06 пользователем serый.

Пожалуйста Войти или Регистрация, чтобы присоединиться к беседе.

Больше
28 июнь 2015 01:48 - 28 июнь 2015 02:22 #7 от Николай Петрович
Николай Петрович ответил в теме как правильно измерить напр-я на двухполярном БП
Судя по Вашим данным, есть неисправность в схеме. Но дело не в этом.Нельзя, в большинстве случаев, 2х полярный источник запитать от однополярного


У Вас нет средней точки (земли) Красной линией показано движение тока плюсового вывода БП. Зелёным - минусового. Синим ток +/-. Т.к. токи + и - могут быть не одинаковые, а земли (средний вывод трансформатора) нет, то БП работать не будет. Напряжения не будут симметричными. Так делать нельзя, за редким исключением.
Вложения:
Последнее редактирование: 28 июнь 2015 02:22 пользователем Николай Петрович.

Пожалуйста Войти или Регистрация, чтобы присоединиться к беседе.

Больше
28 июнь 2015 03:36 #8 от serый
еще раз ссылочка www.radio-portal.ru/layout/37-power/1878...-06-21-13-51-21.html ,, я редко встречал в инернете да и в журналах двух полярный из одного полярного, в большинстве случаев нужен трансформатор со среднем выводом, но вот попалась эта схемка и решил собрать (сам ни чего непридумывал) для питания прибора для проверки тиристоров и симмисторов, я еще раз все проверю но врятли какой то радиоэлемент негодный, ну если не получиться то есть и другие схемы - будем собирать, СПАСИБО БОЛЬШОЕ ВСЕМ ЗА ПОМОЩЬ!!!

Пожалуйста Войти или Регистрация, чтобы присоединиться к беседе.

Больше
28 июнь 2015 06:33 - 28 июнь 2015 07:42 #9 от Николай Петрович
Николай Петрович ответил в теме как правильно измерить напр-я на двухполярном БП
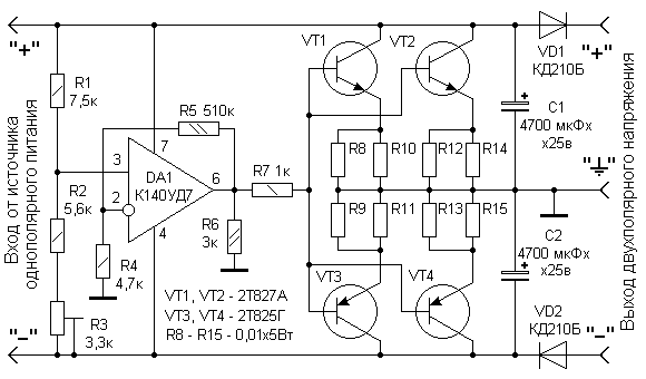
Эта схема изначально не может работать как 2х полярный источник питания. Это 2 однополярных стабилизатора +12 В относительно минуса и +24 В относительно минуса где для создания + 24В. используется напряжение 1-го стабилизатора. Причём, в схеме будет работать только один из стабилизаторов на Т2 и Т3 (на Т3 только если его стабилитрон имеет меньше напряжение стабилизации порядка на 0,7 -0,8 В.). Оставшийся транзистор будет работать наподобие диода. Все стабилитроны имеют разброс параметров. Выберете другую схему, их в нете достаточно много. Например:


Или:

Последнее редактирование: 28 июнь 2015 07:42 пользователем Николай Петрович.

Пожалуйста Войти или Регистрация, чтобы присоединиться к беседе.

Больше
28 июнь 2015 08:46 - 28 июнь 2015 09:11 #10 от Doc
Николай Петрович
данная схема может и будет работать как двух полярный источник,
согласен что схема с искусственной землей далеко не самая лучшая. но тем не мение она жизнеспособна
единственное что надо помнить , что такой БП будет работать только когда плечи нагрузки не отличаются более 5%, в противном случаи будет "перевес"

Сергей
померите напряжение на стабилитронах (прям тостером - один к аноду другой к катоду) - напряжения должны быть одинаковые 12в
померите также напряжение на всех выводах vt1 относительно "-"
если это так то попробуйте нагрузись данный источник двумя одинаковыми нагрузками (лампочками например)

Малое знание опасно, впрочем, как и большое....
Последнее редактирование: 28 июнь 2015 09:11 пользователем Doc.

Пожалуйста Войти или Регистрация, чтобы присоединиться к беседе.

Модераторы: Doc
Вся информация, предоставленная на данном ресурсе разрешена к ознакомлению детям школьного возраста. Все практическое использование может быть связана с повышенной электрической опасностью и разрешено детям только под присмотром взрослых.